EasyManua.ls Logo

Olimpia splendid B0921 - Advertencias Importantes de Seguridad

Olimpia splendid B0921
Print Icon
To Next Page IconTo Next Page
To Next Page IconTo Next Page
To Previous Page IconTo Previous Page
To Previous Page IconTo Previous Page
Loading...
3
ES
ADVERTENCIAS IMPORTANTES DE SEGURIDAD
Lea este manual antes de instalar y/o utilizar el aparato.
Desconecte el suministro eléctrico de red antes de la instalación.
La instalación del aparato se debe realizar por personal técnico especializado.
La conexión eléctrica debe ser conforme a las normas locales y nacionales vi-
gentes en el lugar de instalación.
Si el aparato no funciona correctamente, haga controlar el cableado por perso-
nal técnico especializado.
Sólo utilice el termostato tal como se describe en este manual.
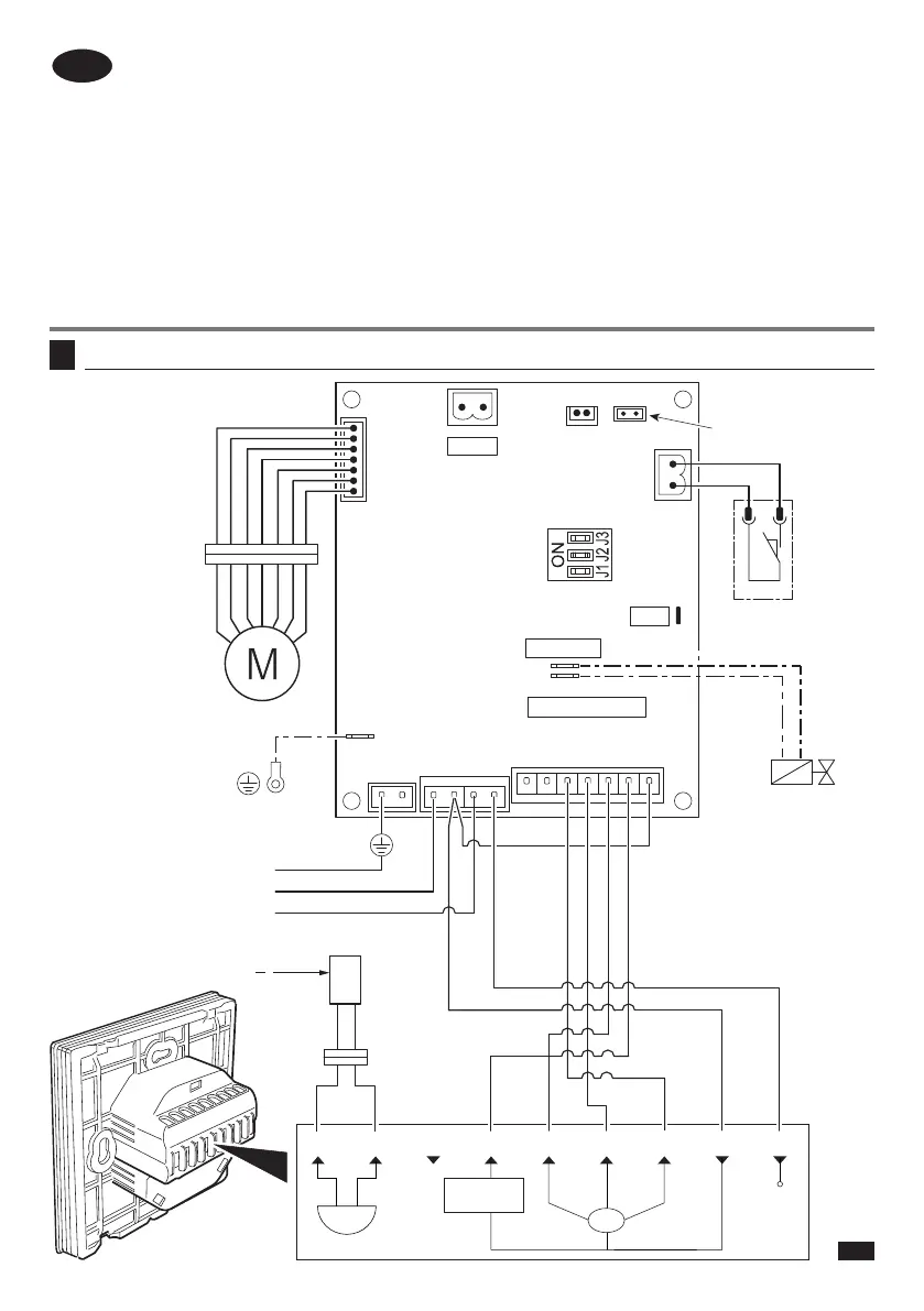
+V10-
H2O
CFG
Y1
J1
M1
LOCK
FANCOIL
LED
VALVE
THERMOSTAT
E / I
SIL
MIN
MED
MAX
EV
COM
9
Sensor
NTC
2K/10K/100K
8 7 6 5 4 3 2 1
LN
LOW
MED
HI
Power:
230VAC
50Hz
Fan
lmax 8(5)Almax 3(2)A
Valve/
compressor
N
L
Power:
230VAC
50H z
GR
MOUNT
SEL1
SEL2
SW1
(OPEN)
optional
H
2
O
1
COLLEGAMENTI - CONNECTIONS - RACCORDEMENTS - ANSCHLÜSSE - CONEXIONES