EasyManua.ls Logo

Olimpia splendid piu - Technical Information; Electrical Diagram

Olimpia splendid piu
60 pages
Print Icon
To Next Page IconTo Next Page
To Next Page IconTo Next Page
To Previous Page IconTo Previous Page
To Previous Page IconTo Previous Page
Loading...
GB
F
D
46
I
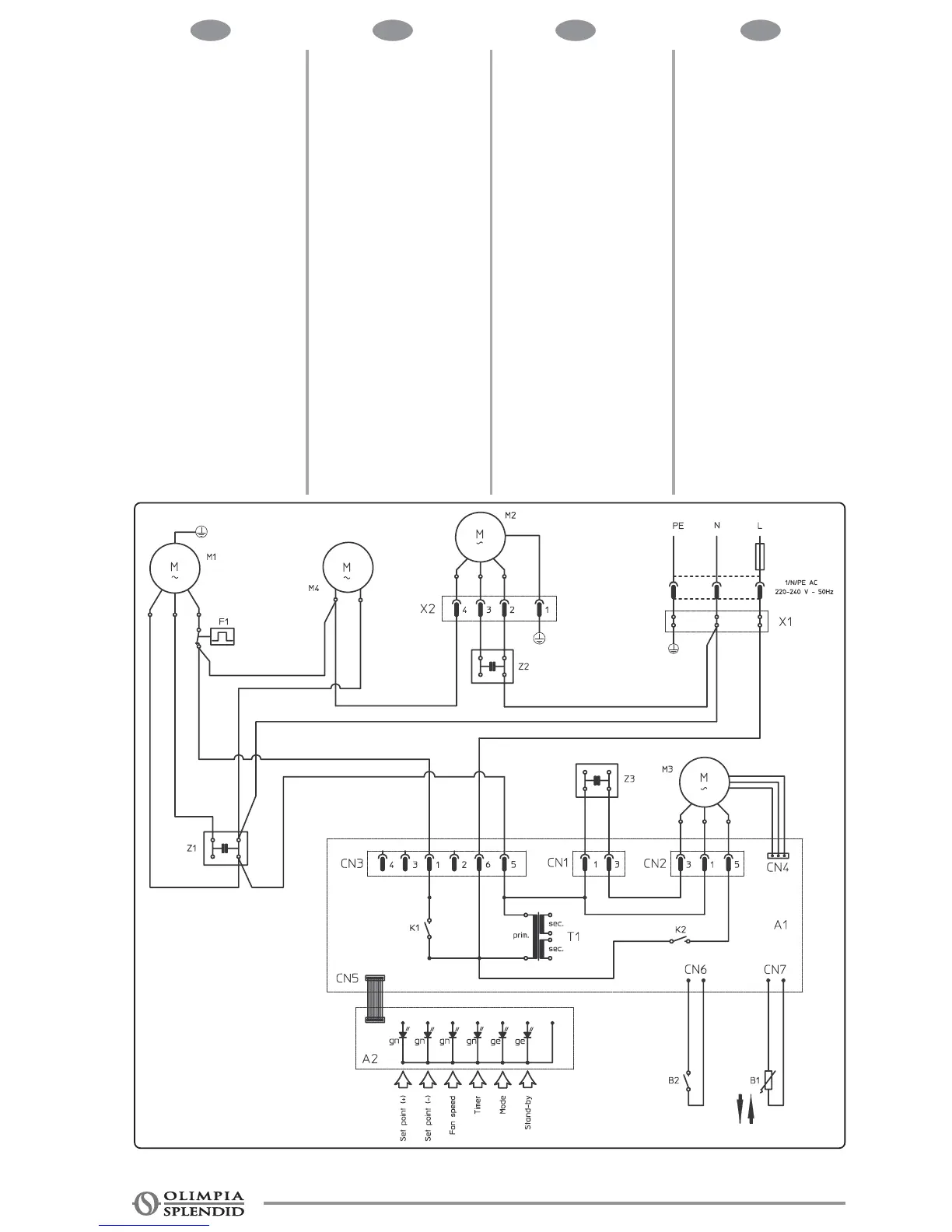
A1) Scheda elettronica (potenza)
A2) Scheda elettronica
(comando)
B1) Sonda termostato ambiente
B2) Sensore di livello acqua di
condensa
CN1) Connettore 3 poli
CN2) Connettore 5 poli
CN3) Connettore 6 poli
CN4) Connettore 3 poli
CN5) Connettore 8 poli
CN6) Connettore 2 poli
CN8) Connettore 2 poli
F1) Protettore termico
compressore
K1) Relais per compressore
K2) Comando ventilatore
evaporante
M1) Motocompressore
M2) Ventilatore condensante
M3) Ventilatore evaporante
M4) Motore per smaltimento
condensa
T1) Trasformatore
X1) Morsettiera alimentazione
generale
X2) Connettore 4 poli
Z1) Condensatore compressore
Z2) Condensatore ventilatore
condensante
Z3) Condensatore ventilatore
evaporante
A1) Electronic card (power)
A2) Electronic card (control)
B1) Thermostat probe
B2) Water level probe
CN1) 3 pin connector
CN2) 5 pin connector
CN3) 6 pin connector
CN4) 3 pin connector
CN5) 8 pin connector
CN6) 2 pin connector
CN8) 2 pin connector
F1) Compressor thermal cut-out
K1) Relays for compressor
K2) Control for evaporator
M1) Compressore
M2) Condenser fan
M3) Evaporante fan
M4) Condensation discharge
motor
T1) Transformer
X1) Terminal board for main
power
X2) 4 pin connector
Z1) Compressor capacitor
Z2) Condenser for capacitor
Z3) Evaporante for capacitor
A1) Carte électronique (puissance)
A2) Carte électronique
(commande)
B1) Sonde thermostat température
ambiante
B2) Capteur de niveau eau de
condensation
CN1) Connecteur 3 pôles
CN2) Connecteur 5 pôles
CN3) Connecteur 6 pôles
CN4) Connecteur 3 pôles
CN5) Connecteur 8 pôles
CN6) Connecteur 2 pôles
CN8) Connecteur 2 pôles
F1) Protection thermique du
compresseur
K1) Relais pour compresseur
K2) Commande ventilateur
évaporant
M1) Motocompresseur
M2) Ventilateur condensation
M3) Ventilateur évaporant
M4) Moteur pour élimination eau de
condensation
T1) Transformateur
X1) Bornier d'alimentation générale
X2) Connecteur 4 pôles
Z1) Condenseur compresseur
Z2) Condenseur ventilateur
condensant
Z3) Condenseur ventilateur
évaporant
A1) Elektronikkarte (Leistung)
A2) Elektronikkarte (Steuerung)
B1) Raumthermostatsonde
B2)
Kondensflüssigkeitsstandsensor
CN1) 3-Pol-Anschluss
CN2) 5-Pol-Anschluss
CN3) 6-Pol-Anschluss
CN4) 3-Pol-Anschluss
CN5) 8-Pol-Anschluss
CN6) 2-Pol-Anschluss
CN8) 2-Pol-Anschluss
F1) Kompressor-Thermoschutz
K1) Relais für Kompressor
K2) Bedienung des
Verdunstungsventilators
M1) Motorkompressor
M2) Kondensierungsventilator
M3) Verdunstungsventilator
M4) Motor zur Ableitung der
Kondensflüssigkeit
T1) Transformator
X1) Hauptstromversorgungs-
Klemmleiste
X2) 4-Pol-Anschluss
Z1) Kompressor-Kondensator
Z2) Kondensator
Kondensierungsventilator
Z3) Kondensator
Verdunstungsventilator

Table of Contents

Related product manuals