EasyManua.ls Logo

Omcan SP300AT - Electrical Schematics for SP200 AT; SP200 AT Circuit Diagram; SP200 AT Component List

Default Icon
24 pages
Print Icon
To Next Page IconTo Next Page
To Next Page IconTo Next Page
To Previous Page IconTo Previous Page
To Previous Page IconTo Previous Page
Loading...
20
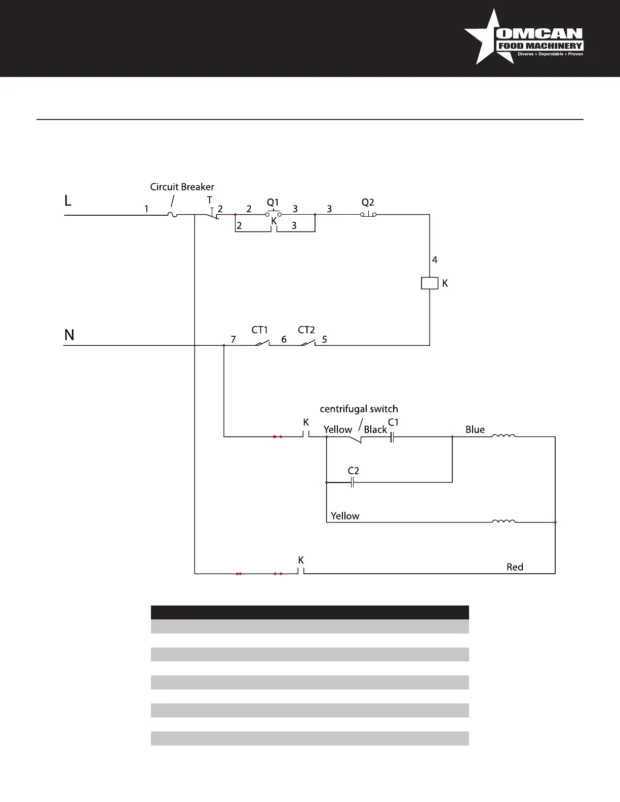
Electrical Schematics
Model SP200AT 17835
No. Name Model Specs QTY Remark
1 Motor 110V 60Hz / 1PH 1.1Kw 1
2 Micro Switch V-152-1C25 250V 10A 2
3 Contact Switch CN--11 Ac110V 60Hz 1
4 Start Button SPL63 250V 10A 1 Green
5 Stop Button SPL63 250V 10A 1 Red
6 Overload Capacitor Ac125/250V 15A 1 KUOYUH
7 Start Capacitor 300MF 125VAC 1 C1
8 Running Capacitor CBB60 40uF 300VAC 1 C2
9 Timer DKG-5A 250V 16A 1 T

Related product manuals