EasyManua.ls Logo

Omcan VFM10B - Electrical Schematics - SP200 A

Default Icon
24 pages
Print Icon
To Next Page IconTo Next Page
To Next Page IconTo Next Page
To Previous Page IconTo Previous Page
To Previous Page IconTo Previous Page
Loading...
19
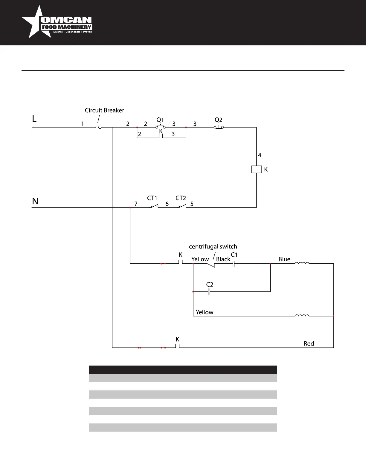
Electrical Schematics
Model SP200AE 20441
No. Name Model Specs QTY Remark
1 Motor 110V 60Hz / 1725rpm / 1PH 1.1Kw 1
2 Micro Switch V-152-1C25 250V 10A 2
3 Contact Switch CN--11 Ac110V 60Hz 1
4 Start Button SPL63 250V 10A 1 Green
5 Stop Button SPL63 250V 10A 1 Red
6 Overload Capacitor Ac125/250V 15A 1 KUOYUH
7 Start Capacitor 300MF 125VAC 1 C1
8 Running Capacitor CBB60 40uF 300VAC 1 C2

Related product manuals