EasyManua.ls Logo

Omron C200HX-CPU E Series - Page 156

Omron C200HX-CPU E Series
253 pages
Print Icon
To Next Page IconTo Next Page
To Next Page IconTo Next Page
To Previous Page IconTo Previous Page
To Previous Page IconTo Previous Page
Loading...
Appendix BSpecifications
141
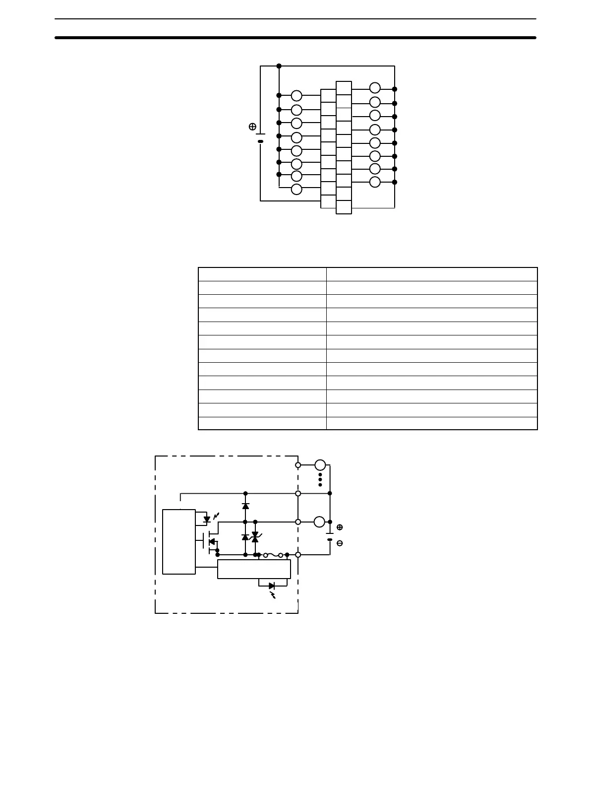
Terminal Connections
A0
A1
A2
A3
A4
A5
A6
A7
A8
B0
B1
B2
B3
B4
B5
B6
B7
B8
B9
COM (0 V)
1
3
5
7
9
11
NC
0
2
4
6
8
10
24 VDC
(0.3 A max )
L
L
L
L
L
L
L
L
L
L
L
L
+ 24 VDC
L
L
13
15
L
L
12
14
Note Be sure to supply power to B9; otherwise current will leak through the load while the output is OFF.
Transistor Output Unit C200H-OD213
Max. Switching Capacity 2.1 A 24 VDC
+10%
/
–15%
(5.2 A/Unit) NPN output
Min. Switching Capacity None
Leakage Current 0.1 mA max.
Residual Voltage 1.4 V max.
ON Response Time 0.2 ms max.
OFF Response Time 0.3 ms max.
No. of Circuits 1 (8 points/common)
Internal Current Consumption 140 mA 5 VDC max.
Fuse Rating 8 A 125 V (5.2-dia.x20)
Power for External Supply 30 mA 24 VDC
+10%
/
–15%
min.
Weight 250 g max.
Dimensions A-shape
Circuit Configuration
Internal
Circuit
L
OUT
COM
OUT
Output indicator
L
+ V
24 VDC
Fuse blowout
detection circuit
Fuse
F indicator
Fuse: UL-TSC-8A-N1 (Nagasawa)
8 A 125 V 5.2-dia 20
Note When the fuse blows, the F indicator lights and bit 08 turns ON. Bits 08 through 15 cannot be used as IR bits.

Table of Contents

Related product manuals