EasyManua.ls Logo

Omron K3TC - Page 31

Omron K3TC
77 pages
Print Icon
To Next Page IconTo Next Page
To Next Page IconTo Next Page
To Previous Page IconTo Previous Page
To Previous Page IconTo Previous Page
Loading...

 56
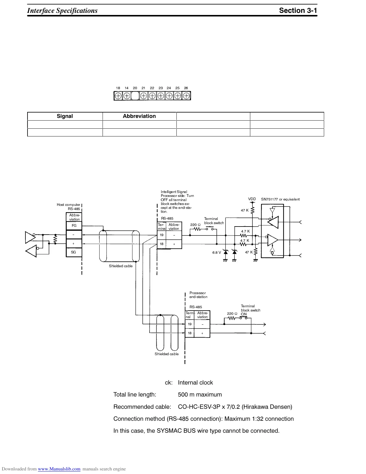
(OHFWULFDO FKDUDFWHULVWLFV &RQIRUPV WR (,$ 56
&RPPXQLFDWLRQV 6LJQDOV
7KH IROORZLQJ LQIRUPDWLRQ LGHQWLILHV WKH NH\ LQSXWRXWSXW VLJQDOV RI WKH LQWHUIDFH
        
6LJQDO $EEUHYLDWLRQ 6LJQDO GLUHFWLRQ 7HUPLQDO 1R
,QYHUWHG RXWSXW 1HJDWLYH ï VLGH ,QSXWRXWSXW 
1RQLQYHUWHG RXWSXW 3RVLWLYH  VLGH ,QSXWRXWSXW 
&RQQHFWLRQ 'LDJUDP
7KH IROORZLQJ H[DPSOH SURYLGHV LQIRUPDWLRQ RQ KRZ WKH 56 ,QWHOOLJHQW 6LJ
QDO 3URFHVVRU LV WR EH FRQQHFWHG WR WKH KRVW FRPSXWHU
,QWHOOLJHQW 6LJQDO
3URFHVVRU VLGH 7XUQ
2)) DOO WHUPLQDO
EORFN VZLWFKHV H[
FHSW DW WKH HQGVWD
WLRQ
7HU
PLQDO
+RVW FRPSXWHU
56
$EEUH
YLDWLRQ
$EEUH
YLDWLRQ
ï


)*
ï
6*
6KLHOGHG FDEOH
6KLHOGHG FDEOH
56
 9
 .
 .
 .
 .
9''
ï


56
3URFHVVRU
HQGVWDWLRQ
61 RU HTXLYDOHQW
7HUPL
QDO
$EEUH
YLDWLRQ

W

W
7HUPLQDO
EORFN VZLWFK
7HUPLQDO
EORFN VZLWFK
21
6\QFKURQL]DWLRQ FORFN ,QWHUQDO FORFN
7RWDO OLQH OHQJWK  P PD[LPXP
5HFRPPHQGHG FDEOH &2+&(693 [  +LUDNDZD 'HQVHQ
&RQQHFWLRQ PHWKRG 56 FRQQHFWLRQ 0D[LPXP  FRQQHFWLRQ
,Q WKLV FDVH WKH 6<60$& %86 ZLUH W\SH FDQQRW EH FRQQHFWHG
,QWHUIDFH 6SHFLILFDWLRQV 6HFWLRQ 

Related product manuals