EasyManua.ls Logo

Omron R88D-KN20F-ECT-R - Page 30

Omron R88D-KN20F-ECT-R
484 pages
Print Icon
To Next Page IconTo Next Page
To Next Page IconTo Next Page
To Previous Page IconTo Previous Page
To Previous Page IconTo Previous Page
Loading...
1-7
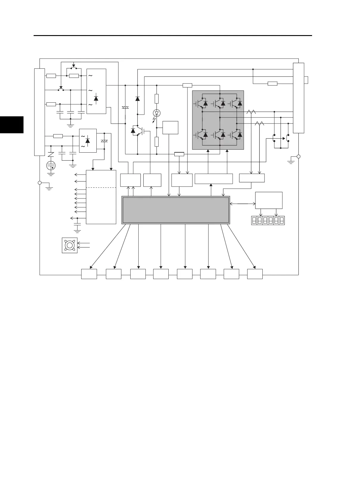
1-4 System Block Diagram
1
OMNUC G5-series AC Servomotors and Servo Drives User’s Manual (with Built-in EtherCAT Communications)
Features and System Configuration
R88D-KN04L-ECT-R
R88D-KN08H-ECT-R/-KN10H-ECT-R/-KN15H-ECT-R
Internal regeneration
resistor
Axial fan
External
encoder
Analog
monitor
USB Safety
Control
interface
Encoder
EtherCAT
communications
connector
EtherCAT
communications
connector
FG
L2C
L1C
L3
L2
L1
FUSE
FUSE
FUSE
CN A
+
+
15 V
G1
5 V
2.5 V
1.5 V
±12 V
E5V
G2
3.3 V
FG
CN4 CN5 CN7
B1
B2
B3
CN B
U
V
W
CN8CN2CN1
ECAT
IN
ECAT
OUT
Display and
setting circuit
area
Gate drive
SW power
supply main
circuit control
Internal
control power
supply
Overcurrent
detection
Current detection
Voltage
detection
Regeneration
control
Relay
drive
MPU & ASIC
Position, speed, and torque calculation control area
• PWM control

Table of Contents

Related product manuals