EasyManua.ls Logo

Omron S8VK-G12024 - Page 44

Omron S8VK-G12024
70 pages
Print Icon
To Next Page IconTo Next Page
To Next Page IconTo Next Page
To Previous Page IconTo Previous Page
To Previous Page IconTo Previous Page
Loading...
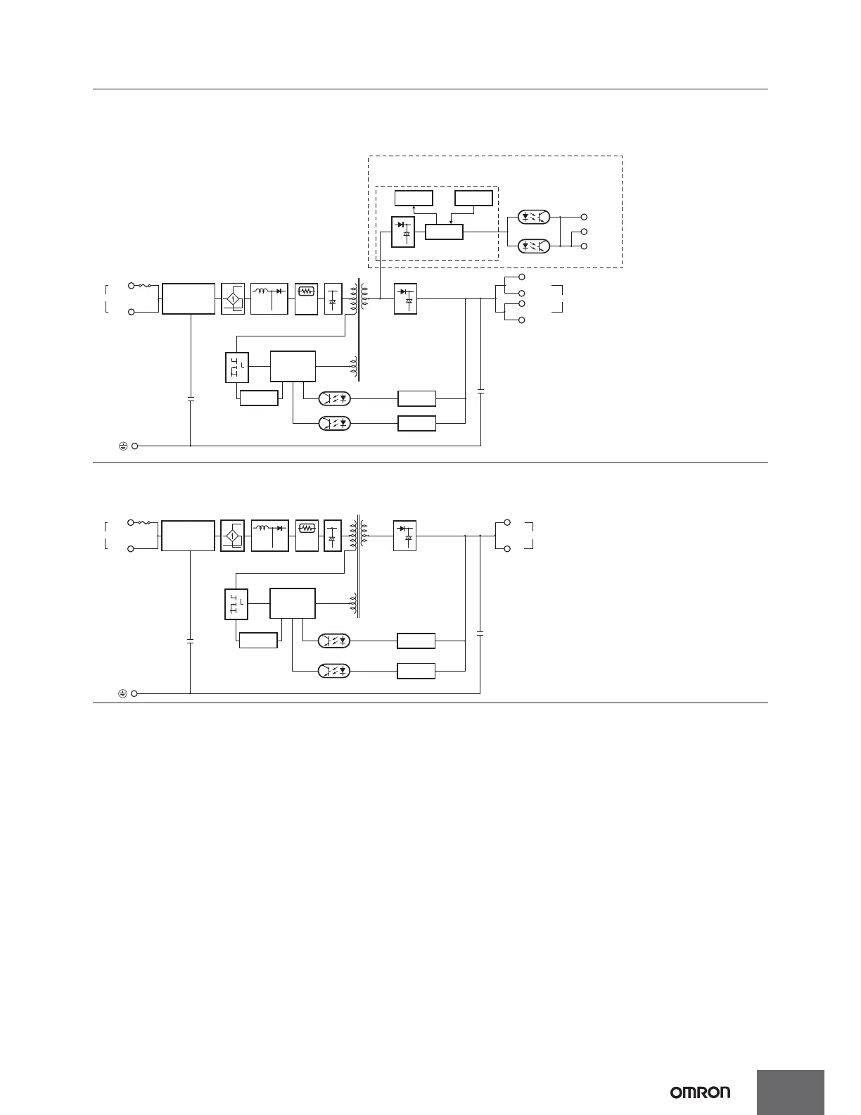
S8VS
13
Noise filter
AC (L)
INPUT
AC (N)
Photocoupler
Photocoupler
Yrs/kh
Common
Display circuit Switch
Sinking type
(S8VS-24024A-@, S8VS-24024B-@)
Sourcing type
(S8VS-24024AP-@, S8VS-24024BP-@)
Type with no alarm output
(S8VS-24024BE-@)
Fuse 8.0 A
Inrush current
protection
circuit
Rectifier
Smoothing
circuit
Harmonic current
suppression circuit
(Power factor improvement)
Overcurrent
detection circuit
Drive control
circuit
Voltage
detection circuit
Overvoltage
detection circuit
Rectifier/smoothing circuit
Rectifier/smoothing circuit
Arithmetic
operation circuit
Alarm
DC Low
+V
+V
V
V
DC OUTPUT
S8VS-24024A@-@ (240 W)
S8VS-24024B@-@ (240 W)
S8VS-24024BE-@ (240 W)
S8VS-24024-@ (240 W)
DC OUTPUT
INPUT
Inrush current
protection
circuit
Harmonic current
suppression circuit
(Power factor improvement)
Photocoupler
Rectifier/smoothing circuit
+V
V
Fuse
8.0 A
AC (L)
AC (N)
Voltage
detection circuit
Noise filter
Drive control
circuit
Overvoltage
detection circuit
Overcurrent
detection circuit
Rectifier
Smoothing
circuit

Table of Contents

Related product manuals