EasyManua.ls Logo

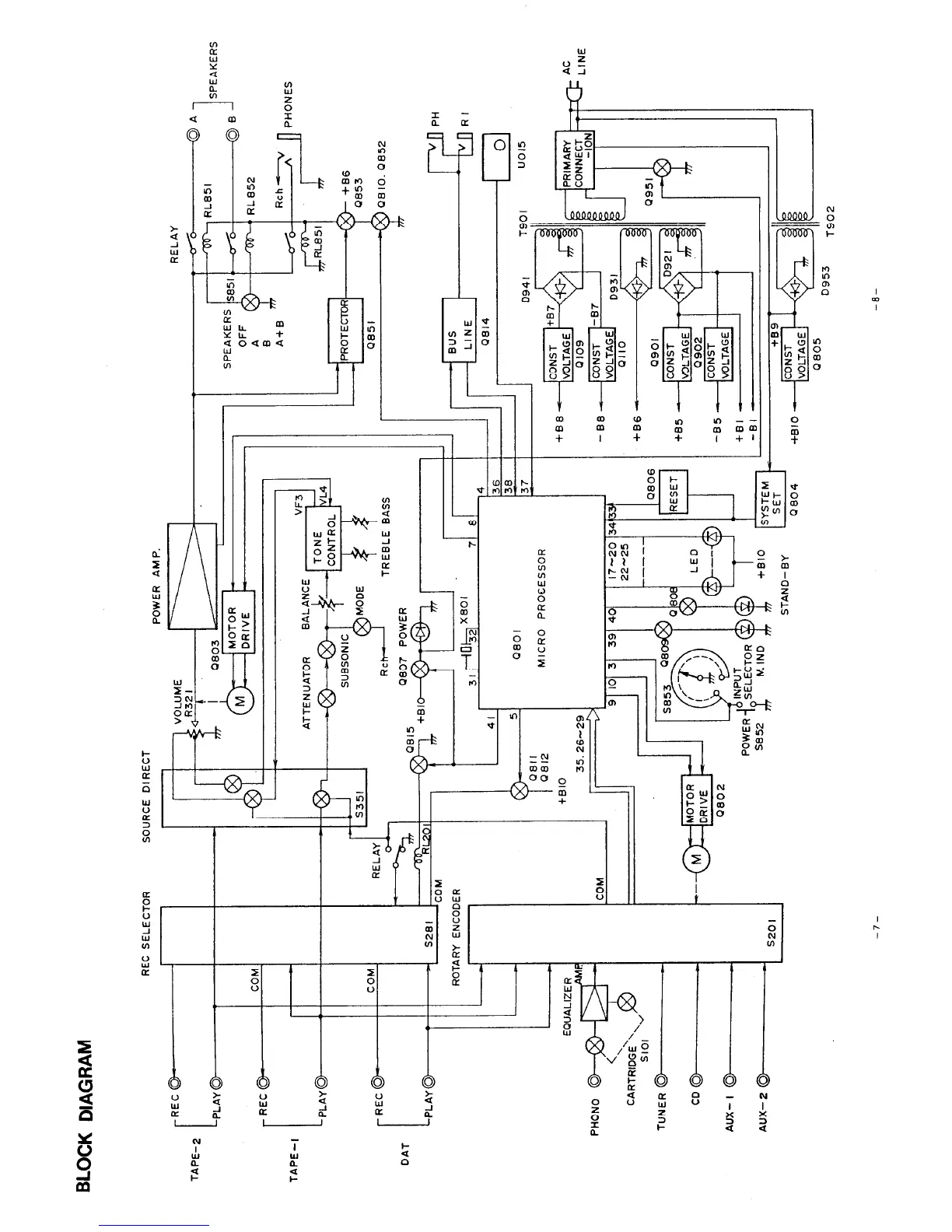
Onkyo A-807 - Block Diagram

Onkyo A-807
15 pages
Print Icon
To Next Page IconTo Next Page
To Next Page IconTo Next Page
To Previous Page IconTo Previous Page
To Previous Page IconTo Previous Page
Loading...

Other manuals for Onkyo A-807

Related product manuals