EasyManua.ls Logo

Onkyo HT-SR800

Onkyo HT-SR800
72 pages
To Next Page IconTo Next Page
To Next Page IconTo Next Page
To Previous Page IconTo Previous Page
To Previous Page IconTo Previous Page
Loading...
21
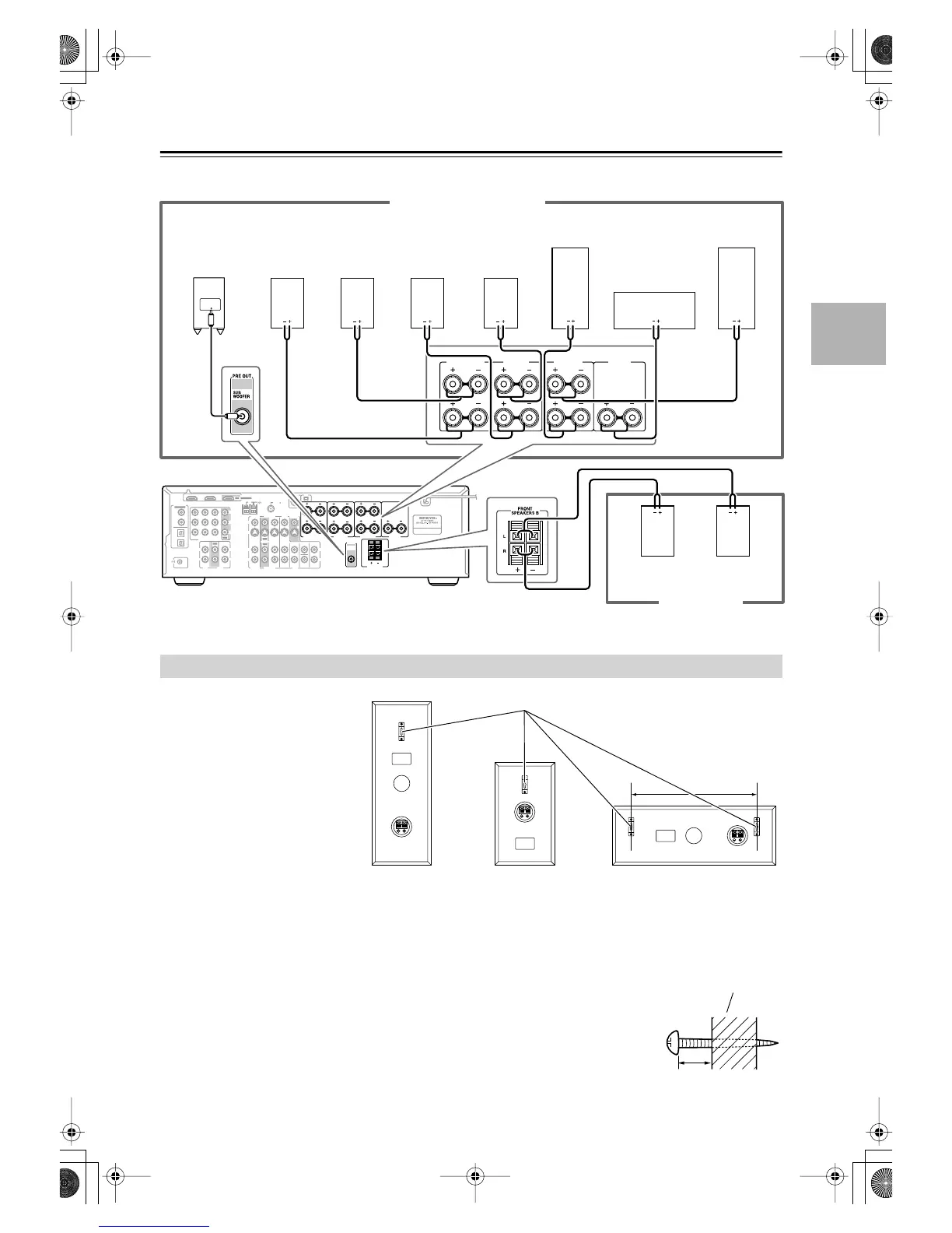
Connecting Your Speakers
—Continued
The following illustration shows which speaker should be connected to each pair of terminals.
The speakers can easily be mounted
on a wall by using the attached wall
brackets.
To mount a front, surround, or sur-
round back speaker vertically, use
its wall bracket, as shown, to hang
it on a screw that's securely screwed
into the wall.
To mount the center speaker hori-
zontally, use its two wall brackets,
as shown, to hang it on two screws
that are securely screwed into the
wall.
Caution:
A mounting screw’s ability to support a speaker depends on how well it’s anchored to the wall.
If you have hollow walls, screw each mounting screw into a stud. If there are no studs, or the
walls are solid, use suitable wall anchors.
Use screws with a head diameter of 5/16" (9 mm) or less and a shank diameter of 1/8" (4 mm)
or less. With hollow walls, use a cable/pipe detector to check for any power cables or water
pipes before making any holes.
Leave a gap of between 5/16" (7 mm) and 7/16" (10 mm) between the wall and the base of the
screw head, as shown.
(We recommend that you consult a home installation professional.)
OUT
OUT
CBL/SAT IN
IN IN
IN
IN
IN
IN IN
VCR/DVR IN
DVD IN
OUT
COMPONENT VIDEO
Y
C
B/PB
CR/PR
IN 1IN 2
OUT
ANTENNA
FM
AM
75
SUB
WOOFER
FRONT
SURROUND
SURR BACK
CENTER
CD
RR
LL
TAPE
OUT
CBL/SAT
CBL/SAT
VCR/DVR
VCR/DVR
DVD
DVD
R
L
R
L
S
V
R
L
MONITOR
OUT
S
V
PRE OUT
SUB
WOOFER
FRONT
SPEAKERS B
REMOTE
CONTROL
L
R
L
R
XM
SIRIUS
SURROUND BACK
SPEAKERS
SURROUND
SPEAKERS
FRONT
SPEAKERS A
CENTER
SPEAKER
HDMI
ASSIGNABLE
ASSIGNABLE
COAX-
IAL
OPTICAL
1
(DVD)
2
(CBL/SAT)
1
(VCR/DVR)
2
(CD)
DIGITAL IN
L
R
L
R
SURROUND BACK
SPEAKERS
SURROUND
SPEAKERS
FRONT
SPEAKERS A
CENTER
SPEAKER
LINE INPUT
Surround
back left
speaker
Surround
back right
speaker
Front left
speaker
Front right
speaker
Center
speaker
Surround
right
speaker
Surround
left
speaker
Speaker Set A (supplied)
Front left
speaker
Front right
speaker
Speaker Set B
Subwoofer
Wall Mounting
13" (330 mm)
Wall brackets
Front speaker
(SKF-550F)
Surround and
Surround back speaker
(SKM-550S/SKB-550)
Center speaker
(SKC-550C)
Wall
5/16" – 7/16"
(7 mm) – (10 mm)
HT-SR800En.book Page 21 Thursday, January 25, 2007 10:28 AM

Table of Contents

Other manuals for Onkyo HT-SR800

Related product manuals