EasyManua.ls Logo

Onkyo P-308

Onkyo P-308
49 pages
To Next Page IconTo Next Page
To Next Page IconTo Next Page
To Previous Page IconTo Previous Page
To Previous Page IconTo Previous Page
Loading...
fa)
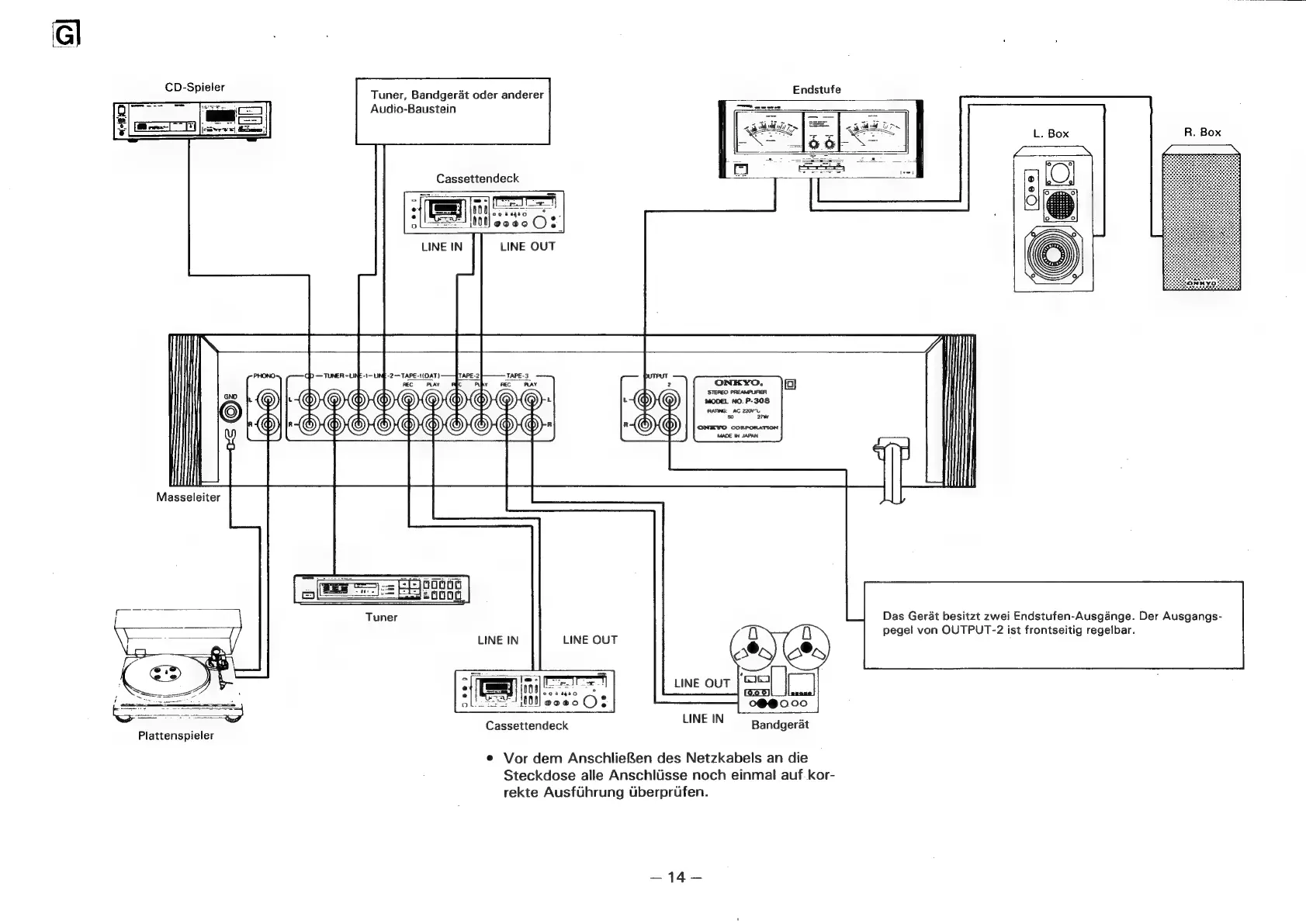
CD-Spieler
Endstufe
Tuner,
Bandgerat
oder
anderer
Audio-Baustein
Masseleiter
Das
Gerat
besitzt
zwei
Endstufen-Ausgange.
Der
Ausgangs-
pegel
von
OUTPUT-2
ist
frontseitig
regelbar.
LINE
IN
LINE
OUT
Cassettendeck
Plattenspieler
e
Vor
dem
Anschlie&en
des
Netzkabels
an
die
Steckdose
alle
Anschliisse
noch
einmal
auf
kor-
rekte
AusfUhrung
Uberprufen.
—14—

Other manuals for Onkyo P-308

Related product manuals