EasyManua.ls Logo

Onkyo TX-SR504 - IC Block Diagrams and Terminal Descriptions-20: Q5501 Volume;Selector IC Block Diagram

Onkyo TX-SR504
131 pages
Print Icon
To Next Page IconTo Next Page
To Next Page IconTo Next Page
To Previous Page IconTo Previous Page
To Previous Page IconTo Previous Page
Loading...
TX-SR504/504E/8450
IC BLOCK DIAGRAMS AND TERMINAL DESCRIPTIONS-20
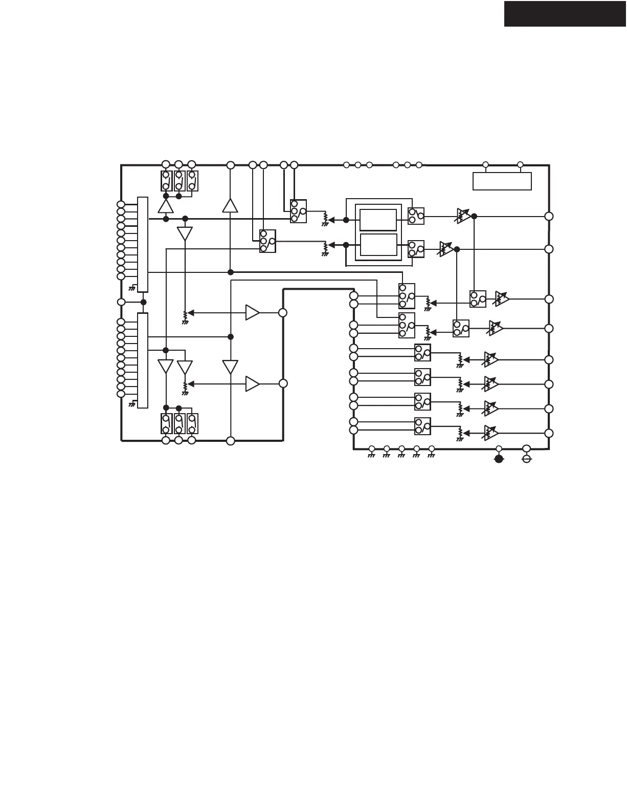
Q5501 : R2S15211FP (8 ch Electronic Volume and 11 Input Selector and Tone Control)-1/3
SYSTEM BLOCK DIAGRAM
Lout
REC
Lch
Rout
Input
ATT
Out L
for
ADC
REC
AGND
Out R
for
ADC
Rch
AVCC
Multi
Rin
Multi
Lin
3
4
5
6
7
8
9
1
2
Tone
Rch Tone
Bass &
Lch Tone
10
11
3
4
5
6
7
8
9
1
2
10
11
SLout
Multi
SLin
Multi
SRin
Cout
SWout
Multi
Cin
Multi
SWin
SBLout
Multi
SBLin
Multi
SBRin
AVEE
SUB
SUB
MCU I/F
CLOCK DATA
Bass &
Volume
Volume
Input
ATT
mono
SBRout
SRout
Volume
Volume
Volume
Volume
Volume
Volume
Volume
Volume
Input selector
Input selector
Volume
Volume
Treble
Treble
Treble

Related product manuals