EasyManua.ls Logo

Onkyo TX-SR504 - IC Block Diagrams and Terminal Descriptions-24: Q2001 XM Digital Transceiver Block Diagram

Onkyo TX-SR504
131 pages
Print Icon
To Next Page IconTo Next Page
To Next Page IconTo Next Page
To Previous Page IconTo Previous Page
To Previous Page IconTo Previous Page
Loading...
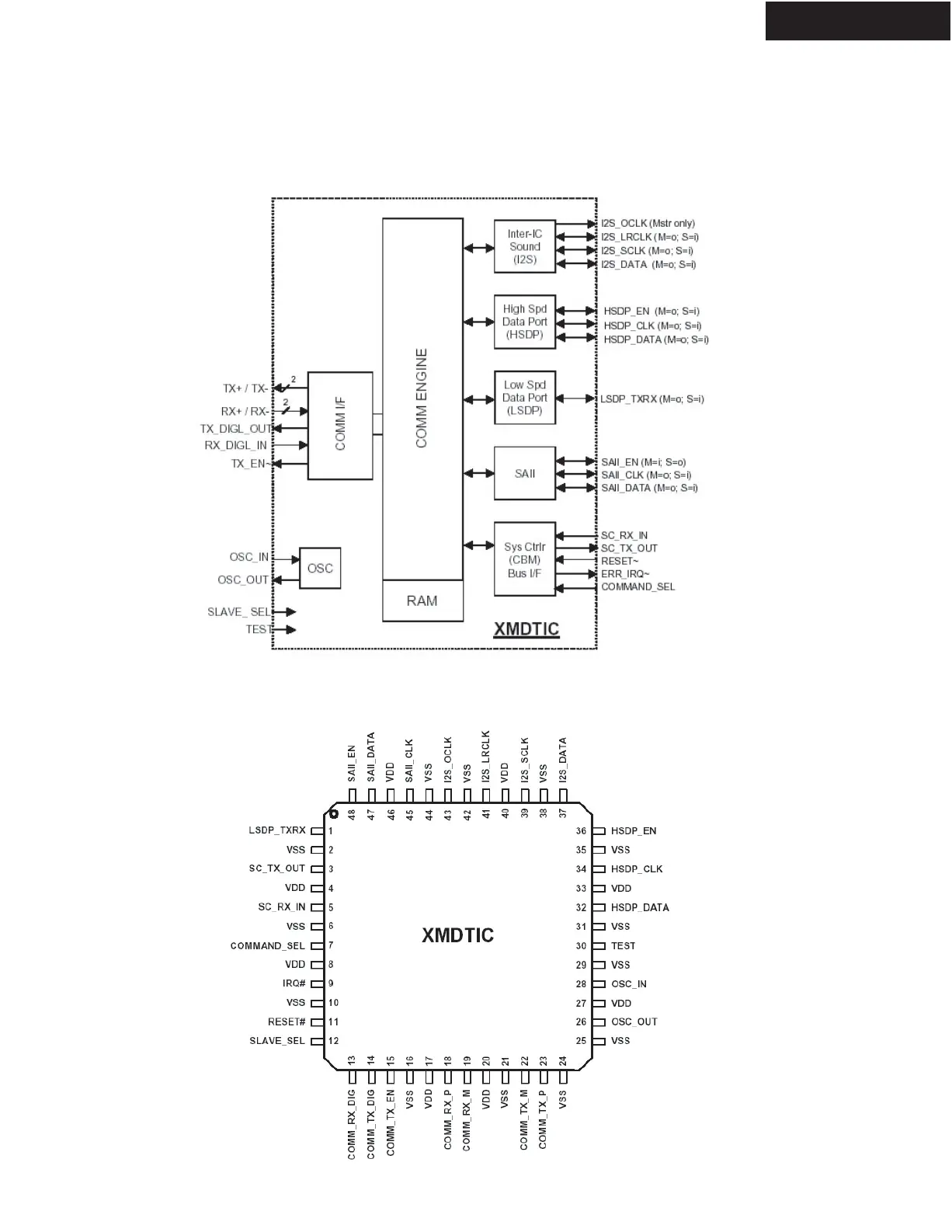
IC BLOCK DIAGRAMS AND TERMINAL DESCRIPTIONS-24
Q2001 : F2602E(XM Digital Transceiver)-1/3
BLOCK DIAGRAM
PIN CONFIGURATION
TX-SR504/504E/8450

Related product manuals