EasyManua.ls Logo

Open Date EUROCODE 150 - Eurocode 300 Magazine Details

Default Icon
42 pages
Print Icon
To Next Page IconTo Next Page
To Next Page IconTo Next Page
To Previous Page IconTo Previous Page
To Previous Page IconTo Previous Page
Loading...
Eurocode Digi50 Controller V1.03 04/07/2005 Page - 36 -
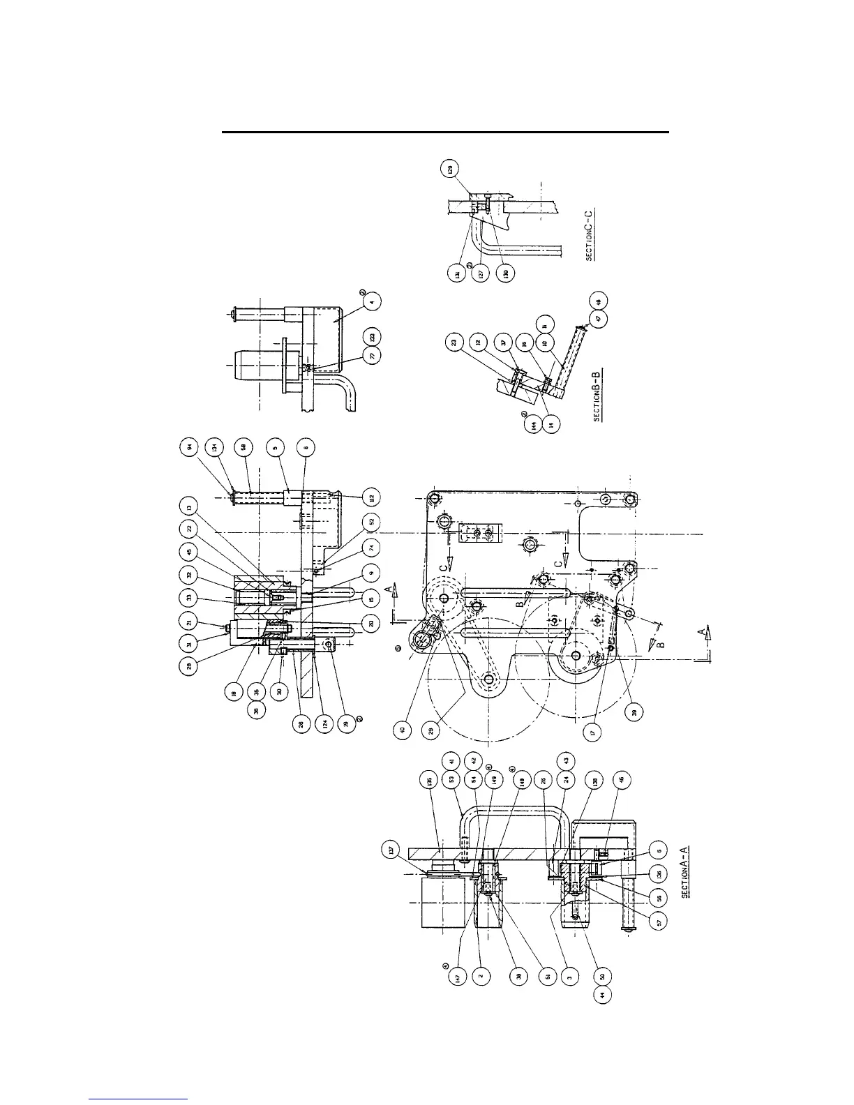
EUROCODE 300 MAGAZINE DETAILS (Iss. 5)

Related product manuals