EasyManua.ls Logo

OPTITECH OPT-HP-S-265LT - Wiring Diagram

OPTITECH OPT-HP-S-265LT
22 pages
Print Icon
To Next Page IconTo Next Page
To Next Page IconTo Next Page
To Previous Page IconTo Previous Page
To Previous Page IconTo Previous Page
Loading...
19
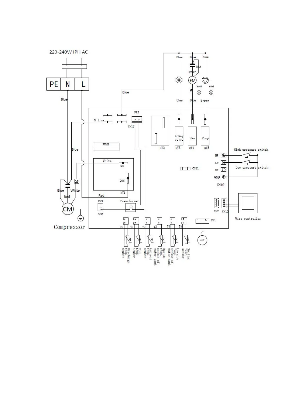
Wiring Diagram
16A RCBO is recommended when installation