EasyManua.ls Logo

Ormandy Commodore Plus - Electrical Connections

Default Icon
36 pages
Print Icon
To Next Page IconTo Next Page
To Next Page IconTo Next Page
To Previous Page IconTo Previous Page
To Previous Page IconTo Previous Page
Loading...
Page 27 / 36
Hartley and Sugden
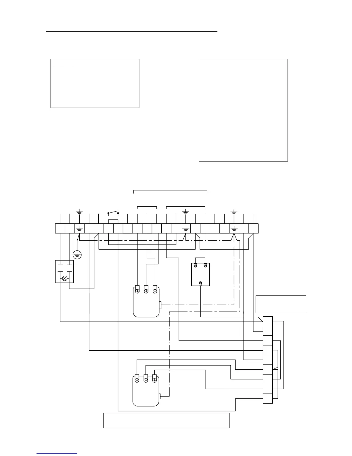
6. Electrical connections
Wiringdiagram:
The setting of the temperature on the
high/lowthermostat (f.i.65°C) hasto be
inferiorto thatof the first step thermos-
tat(f.i. 80°C).In thisway, ifthe boiler is
cold and if there is a heat demand, the
burner will start with its whole power
and once the 65°C reached, it will con-
tinue to burn with reduced power until
the water temperature of the flow rises
to 80°C. If the heat demand is to impor-
tant that the water temperature falls
down instead of reaching 80°C, than
the whole power will engage again.
Remark:
As far as Ecosets are concerned are the
electrical connections o f the circulation
pump of the heating circuit made in the
control box outisde the boiler control
panel.
T6
T7
T8
T2 T1
N
L1
L
N
21P
21P
4
1
5
2
P
1
2
23456789
1
12 4567891011 15 2021
L
N
L
N
1612
B4
B5
17
S3
13 18
To burner
Safety limit
SP-051 HE
(110°C)
230V ca-50Hz
NT 174 HE/2
2
nd
step
thermostat
(30 - 90°C)
Power supply
switch
with phial
Circ ulation pump
heating circuit
(not supplied)
Remote
thermostat
(not supplied)
Standard plug
with 3 poles
(not supplied)
Standard plug
with 7 poles
(not supplied)
Circ ulation pump
water tank
(not supplied)
Remove the 4 bridges
when you connect a digital
regulator E9. 0631
If you connect a regulator E9.0631, remove the bridge
between terminals 5 and 6 of the main connector block.
(*)
NT 174 HE/2
1
st
step
thermostat
(30 - 90°C)

Related product manuals