EasyManua.ls Logo

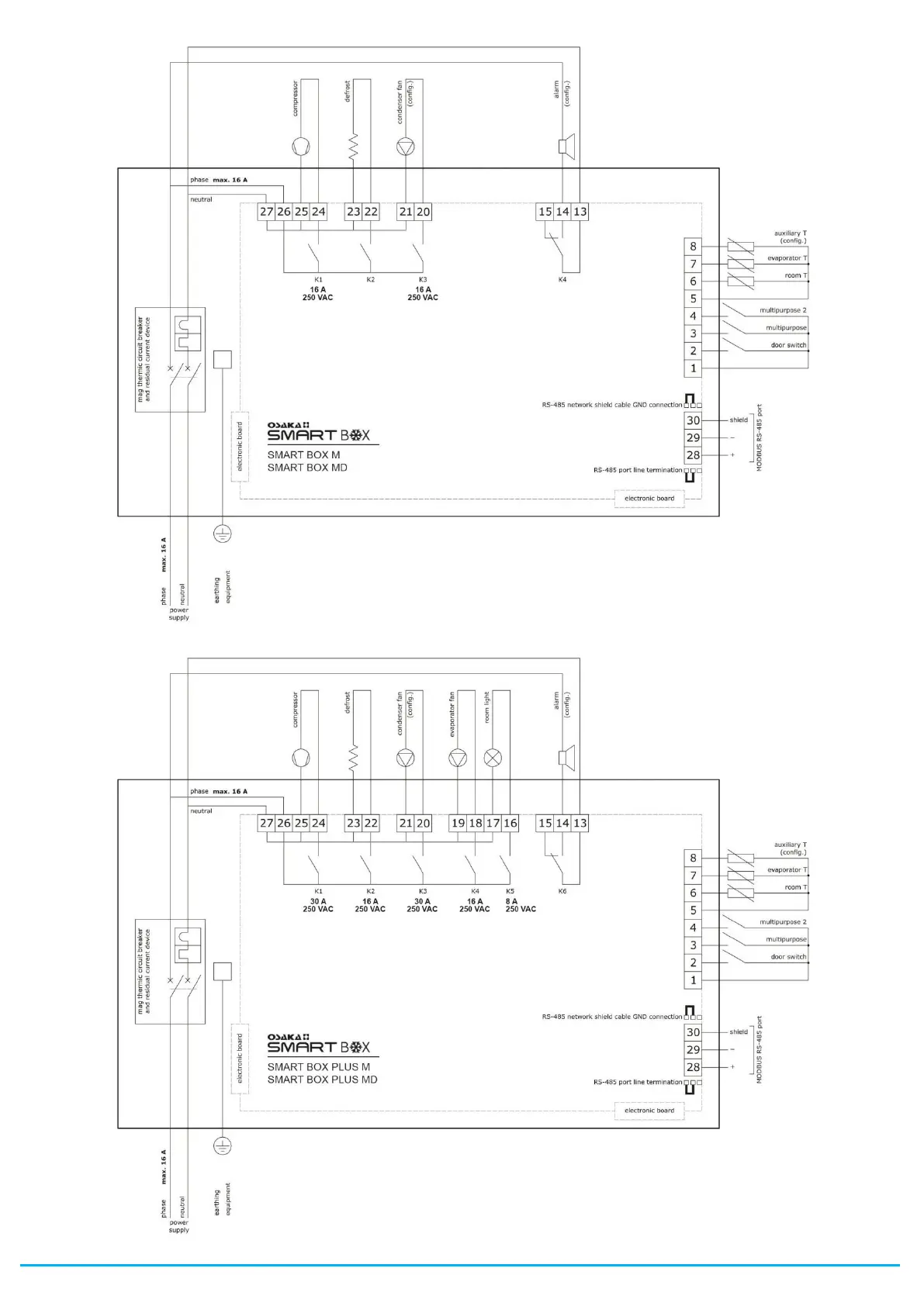
Osaka Smart Box - SMART BOX M Electrical Diagram; SMART BOX MD Electrical Diagram; SMART BOX PLUS M Electrical Diagram; SMART BOX PLUS MD Electrical Diagram

Osaka Smart Box
16 pages
Print Icon
To Next Page IconTo Next Page
To Next Page IconTo Next Page
To Previous Page IconTo Previous Page
To Previous Page IconTo Previous Page
Loading...
OSAKA SMART BOX Simple Manual v1.1 Page 13

Related product manuals