EasyManua.ls Logo

Outback Power Systems FX 2012T - Mobile Fx Information; General; Ground Switching; Stacking Mobile Fx Inverter;Chargers

Outback Power Systems FX 2012T
65 pages
Print Icon
To Next Page IconTo Next Page
To Next Page IconTo Next Page
To Previous Page IconTo Previous Page
To Previous Page IconTo Previous Page
Loading...
Installation & Programming Manual FX & VFX Series Inverter/Charger System Copyright 2003 OutBack Power Systems, Inc.
900-0027-1 19009 62
nd
Ave NE, Arlington WA 98223 USA
Page 32 Rev 7.2 08/26/05 Tel 360 435 6030 Fax 360 435 6019
MOBILE FX INFORMATION
General
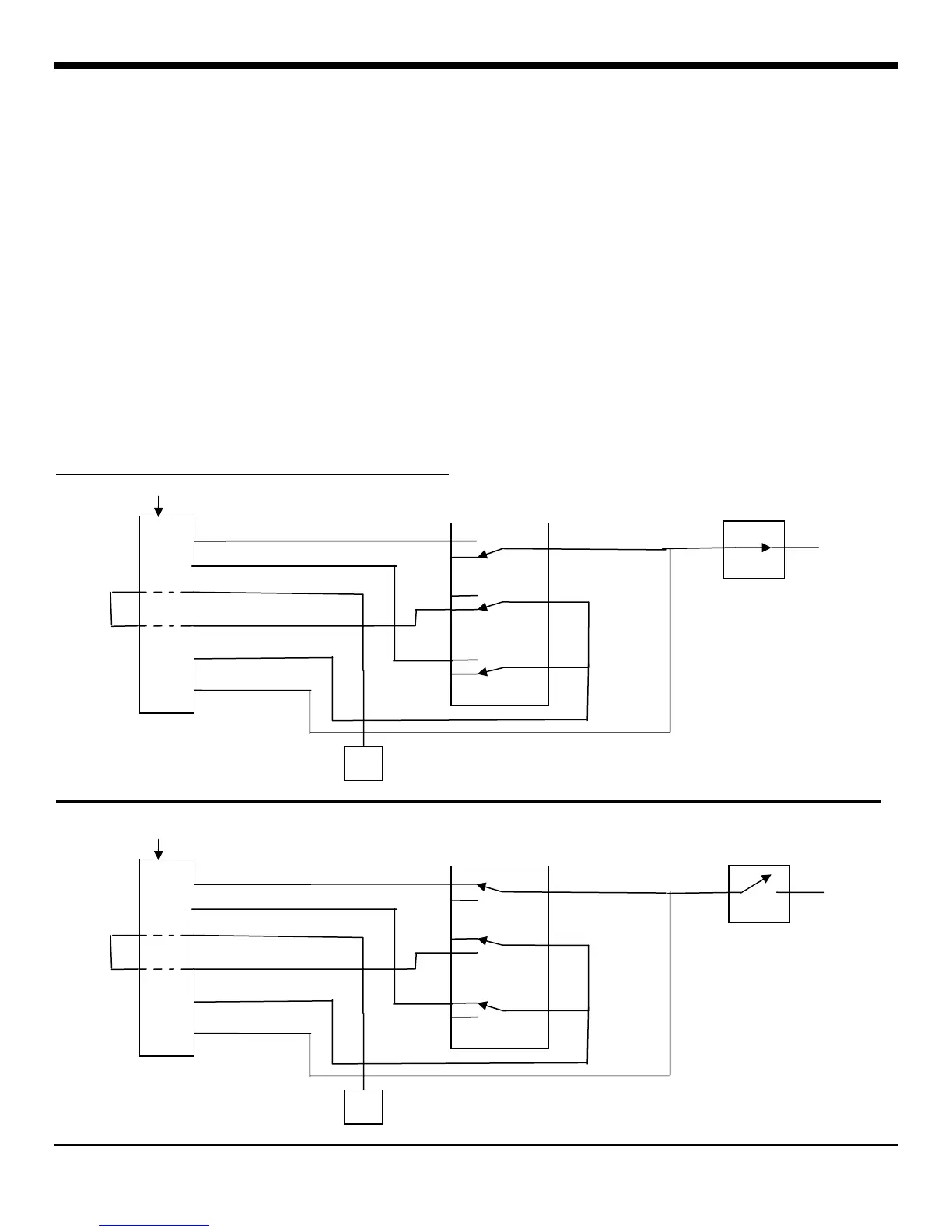
GROUND SWITCHING
How it works: With no AC input signal present, the FX inverter’s Neutral Output is tied to Chassis Ground and hence to the Boat or RV
Ground. This is similar to any Home installation where one conductor (Neutral for the US) must be grounded. When an AC input is
applied and the inverter allows it to transfer, the Neutral Output to Ground bond within the inverter is broken. The Neutral Output line is
then connected to the Input’s Neutral and also the Ground of the Input source. At this point the FX inverter is using the Ground
supplied by shore power or the generator as its Neutral to Ground bond and this Ground becomes the inverters Ground.
STACKING MOBILE FX INVERTER/CHARGERS
The Master will be configured normally where the AC Input’s Ground is connected to the bussed GND-NEU connection of the FX
inverter. The slave inverters must have the buss removed and the Ground of the AC Input must be connected directly to the Chassis
Ground of the inverter. The reason for this configuration is that if each inverter has a bussed Neutral to Ground bond and any inverter
transfers sooner than the rest, the remaining inverters will have a different Neutral to Ground bond (One to the mobile Ground rather
than shore Ground). In this case there will be multiple Neutral to Ground bonds and the GFP breaker may blow if a noticeable voltage
is present. By removing the Neutral to Ground buss this problem is eliminated.
MAXIMUM AC INPUT CURRENT
Mobile FX inverter/chargers limit the AC input current to 30 amps. Outback Power has decided to do this because they use only on of
the three poles of the input relay within the FX. In a non-mobile FX, all three poles are used and can therefore carry three times the
current (theoretically, since they are paralleled this limit decreases). The mobile FX uses two poles of this relay for ground switching,
so only one pole is available. Due to this fact, we recommend a 30 amp breaker for the AC input to the FX.
Relay Diagram with AC Input Not Connected
Relay Diagram with Ground Switched (Connected to Utility/Shore Power Neutral and Ground)
CHASSIS GROUND
NEU-GND BOND
NE
U
TRAL
OU
T
NEUTRAL IN
HOT
AC
OUT
HOT AC IN
AC Terminal Block
Input Relay
Ground
BUSS
Output Relay
CHASSIS GROUND
NEU-GND BOND
NE
U
TRAL
OU
T
NEUTRAL IN
HOT AC
OUT
HOT AC IN
AC Terminal Block
Input Relay
Ground
BUSS
Output Relay

Table of Contents

Related product manuals