EasyManua.ls Logo

Outline PRO405 - Block Diagram and Signal Paths; Input Signal Processing Flow Diagram; Output and Monitoring Signal Flow Diagram

Outline PRO405
23 pages
Print Icon
To Next Page IconTo Next Page
To Next Page IconTo Next Page
To Previous Page IconTo Previous Page
To Previous Page IconTo Previous Page
Loading...
Professional Mixers
20 Mixer PRO405
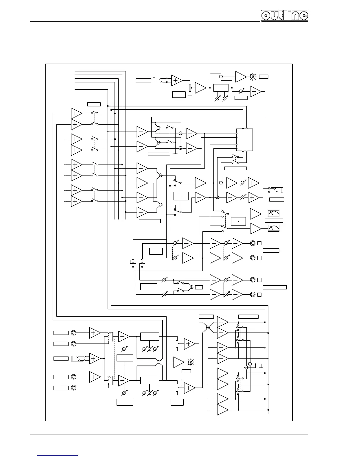
SCHEMA A BLOCCHI / BLOCK DIAGRAM
VU METERS
MAIN OUT
MONITOR
AUXILIARY OUT
L
R
AUXILIARY
LEVEL
MAIN
LEVEL
L+R
MAIN OUT
L
R
MON IN
MONITOR LINK
LINK
CONNECTORS
PHONES
MON 3-4 L
MON 3-4 R
MON 1-2 L
MON 1-2 R
PROGRAM R
PROGRAM L
MON
PROGRAM
CUE MONITOR
TALKOVER ON
CLIP
LEVEL
- EQ
HILO
HIMIDLO
HIMIDLO
GAIN
ADJUST
FADER
INPUT
MICRO DJ
CROSSFADERBALANCE
CLIP
- EQ
- EQ
INPUT GAIN
+0 -20dB
+0 -20dB
INPUT GAIN
PHONO R
LINE R
MICRO
LINE L
PHONO L