EasyManua.ls Logo

Oxygen 8 C24 - 5.3 Three-Phase Electrical Hook Up (2 Fans)

Default Icon
42 pages
Print Icon
To Next Page IconTo Next Page
To Next Page IconTo Next Page
To Previous Page IconTo Previous Page
To Previous Page IconTo Previous Page
Loading...
Installation Manual Nova Series
19
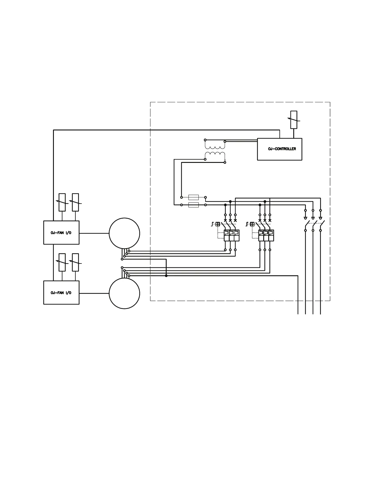
5.3 Three-Phase Electrical Hook Up (2 Fans)
3 phase, 4 wire, 208V, 460V -10% ― +15%, 60Hz
Pieces:
2021-02-11
Scale:
Drawn by:
Approved by:
Date:
Material:
Weight:
Name:
Drawing number:
PM
FAN
MOTOR
FAN
MOTOR
DATA CABLE DATA CABLE
0-10V
0-10V
L1
L2
L3GND
tt
tt
t
ENCLOSURE
4/10A for 208V
3/16A for 460V
208V or 460V
24V
1/L1
3/L2
5/L3
2/T1
4/T2
6/T3
I> I> I>
1/L1
3/L2
5/L3
2/T1
4/T2
6/T3
I> I> I>
O28-05-0003-23
NOVA WIRING LAYOUT 3-PHASE
Pieces:
2021-02-11
Scale:
Drawn by:
Approved by:
Date:
Material:
Weight:
Name:
Drawing number:
PM
L1 240V
O28-05-0003-24
NOVA WIRING LAYOUT SINGLE PHASE
FAN
MOTOR
FAN
MOTOR
DATA CABLE DATA CABLE
0-10V
0-10V
GND
tt
tt
t
ENCLOSURE
3/10A
24V
N
FAN I/0 R/A
BOTTOM
FAN I/0 S/A
TOP
6
5
3
4
1
7
8
POSITION PCs
TYPE
1
2
3
4
6
1
5
COLOUR
PART No.
1
1
1
3
4
22/6 COMMUNICATION MODBUS
7
8
1
1
22/6 COMMUNICATION MODBUS
18/4 (3 PHASE/GRD) POWER
18/4 (3 PHASE/GRD) POWER
18/2 (0-10V, GRD) COMMNS.
18/2 (0-10V, GRD) COMMNS.
Pieces:
2020-04-02
Scale:
Drawn by:
Approved by:
Date:
Material:
Weight:
Name:
Drawing number:
O28-05-0003-01A
PM
ELE. BOX WIRING LAYOUT - 208V
3-PHASE
1
FAN R/A
(BOTTOM)
FAN S/A
(TOP)
BLACK
BLACK
GRAY
GRAY
BLACK
BLACK
BLACK
BLACK
L
C
L
C
24V
TRANSFORMER
T1
T2
T3
SWITCH BODY
T1
T2
MMP1
MMP2
GREEN
GREEN
WHITE
BLACK
RED
WHITE
BLACK
RED
FOR T1, T2 CONNECTION
SEE 208V TRANSFORMER
WIRING DIAGRAM
T1 BLACK
T2 BLACK
C
T1 T2 T3
2
2
2
1
1
SINGLE WIRE 10Ga, L=9"
SINGLE WIRE 10Ga, L=14"
9
9
92
FAN JUMPER 18Ga
BLACK
WIP0010
WIP001
0
WIP0017
WIP0018
WIP0022
WIP0021
WIP0019
WIP0020
WIP0023
FOR WIRES CONNECTION
SEE 208V TRANSFORMER
WIRING DIAGRAM
Pre-heat
temperature sensor
is placed in top or
bottom core bracket.
17-WHITE
16-BLACK2-BLUE
1-RED
3-PHASE 208V POWER SOURCE
24V
TRANSFORMER
T1
18/3 (HOT, NEUTRAL, GROUND)
WHITE 1
WHITE 2
GREEN 1
GREEN 2
BLACK 1
BLACK 2
M9F
1
M9F
2
FOR T1
CONNECTION
SEE 240V
TRANSFORMER
WIRING
DIAGRAM
POWER BOX
POSITION
PCsTYPE
1
3
41
COLOUR
A16
1
1
2
1
1
22/6 COMMUNICATION MODBUS
5
6
7
8
9
1
1
1
1
22/6 COMMUNICATION MODBUS
18/2 0-10V, GRD COMMUNICATION
18/2 0-10V, GRD COMMUNICATION
2
4
5
1
8
9
18/3 (HOT, NEUTRAL, GROUND)
Pieces:
2020-04-02
Scale:
Drawn by:
Approved by:
Date:
Material:
Weight:
Name:
Drawing number:
O28-05-0003-02A
PM
ELE. BOX WIRING LAYOUT - 240V SINGLE
PHASE
6
7
T1
C
SWITCH BODY
SINGLE WIRE 10Ga L=9"
2BLACK
SINGLE WIRE 10Ga L=11"
BLACK
BLACK
BLACK
BLACK
BLACK
33
BLACK
SINGLE WIRE 10Ga L=8"
GREY
GREY
10 2
SINGLE WIRE 18Ga, 1.5-Inch
BLACK
WIP0023
10
10
FOR WIRES
CONNECTION
AND JUMPER
SETTING, SEE
240V
TRANSFORMER
WIRING
DIAGRAM
DRAWING No.
B20
WIP000
4
WIP0003
WIP0015
WIP0001
WIP0002
WIP0010
WIP0010
WIP0010
WIP0014
WIP0003
WIP0015
WIP0012
WIP0011
WIP0010
WIP0010
WIP0010
FAN I/0 R/A
BOTTOM
FAN I/0 S/A
TOP
FAN R/A
(BOTTOM)
FAN S/A
(TOP)
17-WHITE
16-BLACK
Pre-heat
temperature sensor
is placed in top or
bottom core bracket.
2-BLUE
1-RED
WIP00021WIP00021

Related product manuals