EasyManua.ls Logo

Oxygen 8 C24 - 5.7 Three-Phase Lite Electrical Hook Up (2 Fans)

Default Icon
42 pages
Print Icon
To Next Page IconTo Next Page
To Next Page IconTo Next Page
To Previous Page IconTo Previous Page
To Previous Page IconTo Previous Page
Loading...
Installation Manual Nova Series
23
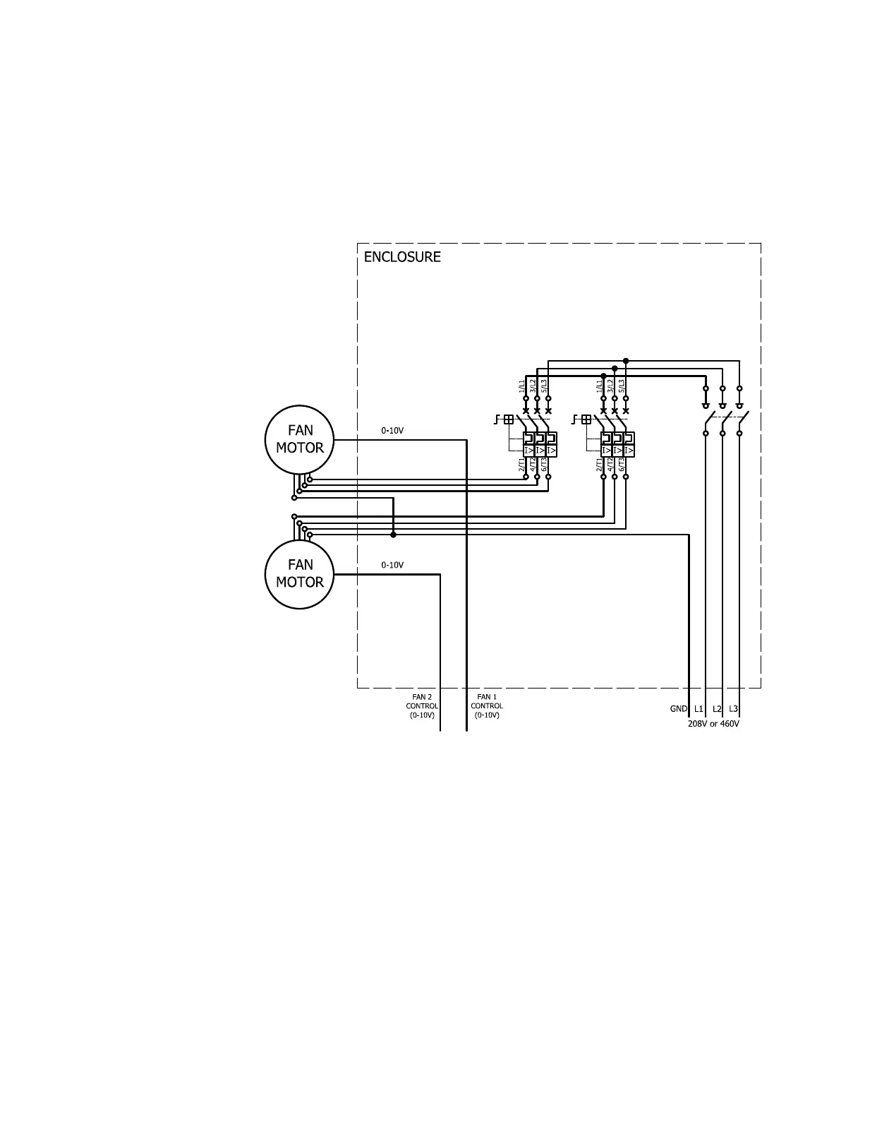
5.7 Three-Phase Lite Electrical Hook Up (2 Fans)
3 phase, 4 wire, 208V, 460V -10% ― +15%, 60Hz

Related product manuals