EasyManua.ls Logo

P.B.M. SE - Page 19

P.B.M. SE
20 pages
Print Icon
To Next Page IconTo Next Page
To Next Page IconTo Next Page
To Previous Page IconTo Previous Page
To Previous Page IconTo Previous Page
Loading...
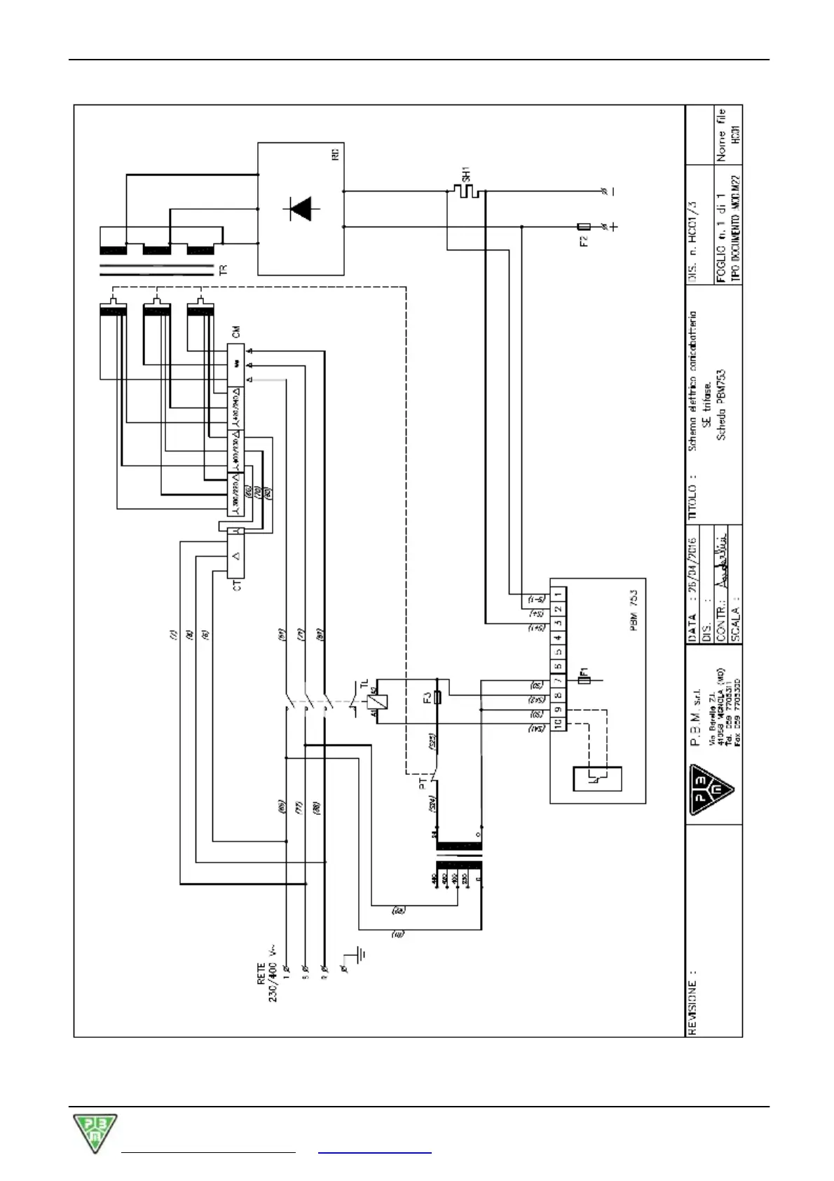
TECHNICAL MANUAL "SE" (PBM753) Revision no. 1 dd. 01/02/2017
P.B.M. S.r.l. via Barella, Z.I. - VIGNOLA ( MO ) ITALIA Tel. + 39 (059) 7705311 Fax + 39 (059) 7705300
http://www.gruppopbm.ite-mail : pbm@gruppopbm.it file: Manuale SE PBM753 GB rev.1.doc
page 18
WIRING DIAGRAM (THREE-PHASE VERSION)

Related product manuals