EasyManua.ls Logo

PAC SRK-JK11HX - Page 2

PAC SRK-JK11HX
17 pages
Print Icon
To Next Page IconTo Next Page
To Next Page IconTo Next Page
To Previous Page IconTo Previous Page
To Previous Page IconTo Previous Page
Loading...
Stinger HEIGH10
®
Installation & Integration Kit
for 2011-2018 Jeep
®
Wrangler JK
SRK-JK11HX
© 2024 Stinger
Stinger Solutions is not a󰀩liated with FCA US LLC. Jeep® is a registered trademark of FCA US LLC. The
terms OEM, Jeep®, Wrangler®, and Gladiator® all terms are used strictly for identication purposes only. It is
not implied that any part listed is a product of, or approved by, Fiat Chrysler Automobiles.
Pacific Accessory Corporation
Page 2
Rev: V3
Date:072924
®
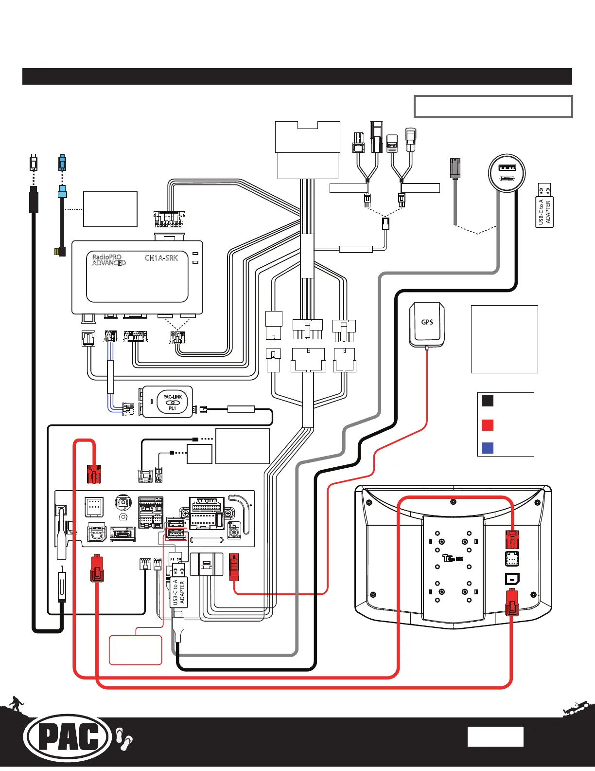
Wiring Diagram Overview HEIGH10
OR
Option 1
or
Option 2
CH1A-SRK
RadioPRO
ADVANCED
PAC
Connection
Stinger
Connection
Main Harness
Connection
*Connections shown
are all required for
full functionality of
the kit and radio. If
adding additional
components,
additional connections
will be needed.
Connect to
SXV300 Satellite
Radio Tuner
(sold separately)
Connect to
SXV300 Satellite
Radio Tuner
(sold seperately)
DATA CONN
JK07-CAN-HAR
JK14-CAN-HAR
10P-2-10P-6
SRK-CH1A-HAR V2
USB-2
HDMI SWI
SIRIUS XM
POWERDISPLAY 1
DISPLAY 2
ANTENNA
TOSLINK
RADIO HARNESS
POWER
EXPANSION
PORT
VEHICLE
HARNESS
NON-
AMPLIFED AMPLIFED
AV-IN / AV-OUT
MULTI
CAMERA
GPS
MIC
PAC-LINK
External
Mic
SRK-ADAPT-UN1810 V1
Use the USB port
closest to the edge
for CarPlay and
Android Auto
USB-1
USB-UN3
USB ADAPTER
SSUSB3
USB-A PORT
USB-C PORT
EXTENSION
BAA22
AM/FM
ANTENNA
ADAPTER
SAT01
SXM
ANTENNA
ADAPTER
Option 1 = USB-UN3 for USB center console connection.
Option 2 = SSUSB3 with USB C to A adapter.

Related product manuals