EasyManua.ls Logo

PAC SRK-JW18HX - Page 2

PAC SRK-JW18HX
17 pages
Print Icon
To Next Page IconTo Next Page
To Next Page IconTo Next Page
To Previous Page IconTo Previous Page
To Previous Page IconTo Previous Page
Loading...
Stinger HORIZON10™ Radio Replacement Kit
for Jeep Wrangler JL and Jeep Gladiator JT Vehicles
SRK-JW18HX
© 2024 Stinger
Stinger Solutions is not a󰀩liated with FCA US LLC. Jeep® is a registered trademark of FCA US LLC. The
terms OEM, Jeep®, Wrangler®, and Gladiator® all terms are used strictly for identication purposes only. It is
not implied that any part listed is a product of, or approved by, Fiat Chrysler Automobiles.
Pacific Accessory Corporation
Page 2
Rev: v1
Date:071724
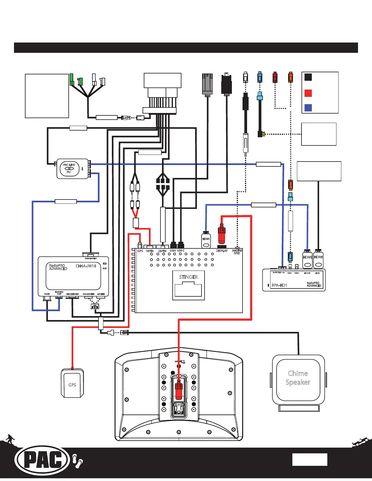
Complete Wiring Diagram Overview
Chime
Speaker
GPS
PAC-LINK
PL1
CH4A-JW18
RadioPRO
ADVANCED
RPA-HD1
HD IN
HD OUT
CAM 2
CAM 1
PAC Link
RadioPRO
ADVANCED
HDMI
USB1
USB C
STINGER
DISPLAY
16PIN 26PINGPS
AM/FM
ANT.
HDMI
SRK-JW18-HAR
USBC-UN2USB-UN1
A/V IN
OEM AUX AUDIO
10P-2-10P-20
10P-2-10P-6
PAC-LINK
SR-SRK-ADAPT-IX2XX
PAC
Connection
Stinger
Connection
Main Harness
Connection
*Connections shown
are all required for
full functionality of
the kit and radio. If
adding additional
components,
additional connections
will be needed.
OR
CHIME
Connect to
SXV300 Satellite
Radio Tuner
(sold separately)
*Only required in
vehicles with Safety
Group features
HDMI
Connect to HDMI Device
(cable sold separately)
FAK-EXT-15
HDMI-20-2M
MQS4PT-36
AMPLIFIEDNON-AMPLIFIEDVEHICLE HARNESS
EXPANSION
PORT
POWER
RADIO HARNESS

Related product manuals