EasyManua.ls Logo

PAE T6M - Power Cable Installation

PAE T6M
45 pages
Print Icon
To Next Page IconTo Next Page
To Next Page IconTo Next Page
To Previous Page IconTo Previous Page
To Previous Page IconTo Previous Page
Loading...
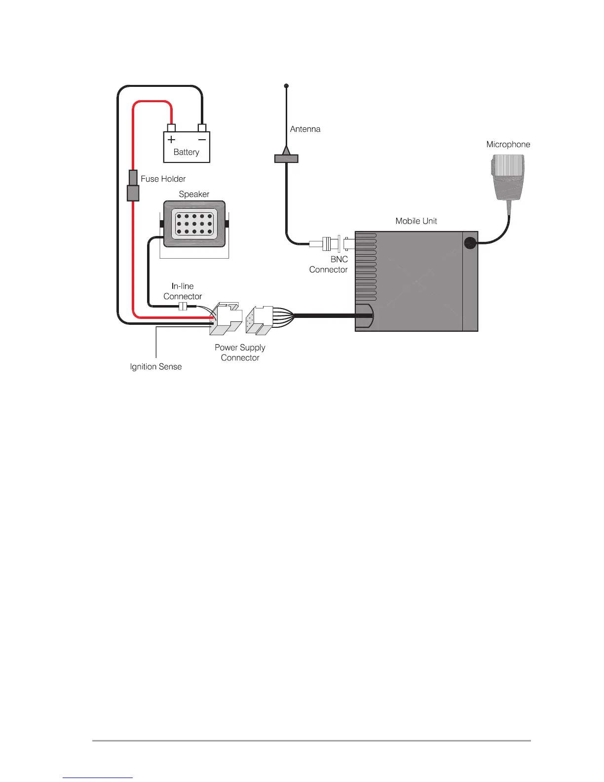
Power Cable Installation
The power cable comprises red and black cables that connect to the battery, a twin-wire
loudspeaker connection (orange and violet) and a yellow ignition sense lead. All these
wires are terminated on a Molex 8-way mini-fit connector.
Note that the power cable supplied with some radios may also contain a green and a
white wire. These wires are not used and should be tied back after the power cable is
installed.
To install the power cable, refer to the illustration shown above, and:
(1) Route the power cable to the battery and cut it to the required length. If it is
necessary to drill a hole in the firewall or bulkhead to route the cable through,
then fit a grommet and seal it when the installation is complete.
(2) Fit the in-line fuse holder at the battery end of the positive (red) lead. The fuse
protects against short circuits in the cable run, so must be located as close to
the battery as possible. The fuse holder is fitted as shown in the illustration on
the next page, and as follows:
T6M User Guide
Page 17
Installation Connections

Table of Contents

Other manuals for PAE T6M