EasyManua.ls Logo

Pahlen MidiHeat EHA - Page 19

Pahlen MidiHeat EHA
Print Icon
To Next Page IconTo Next Page
To Next Page IconTo Next Page
To Previous Page IconTo Previous Page
To Previous Page IconTo Previous Page
Loading...
19
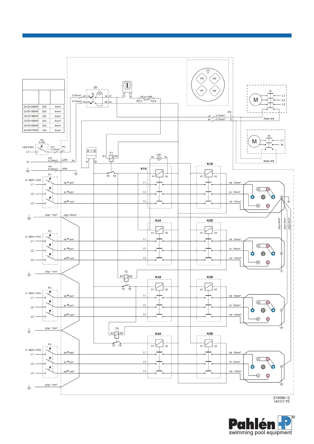
MidiHeat EHA
MA45-32R
РУССКИЙРУССКИЙ
Трехфазная сеть 380-415 В
Tермостат
Датчик
потока
Сборочныйчертеж
Бак
Внешнеезащитное
релемотора1-фаза
Внешнеезащитное
релемотора3-фазы
Реле
защитыот
перегрева
H1Нагревательныйэлемент
H2
Нагревательный
элемент
H3
Нагревательный
элемент
H4
Нагревательный
элемент
**=Гальваническиизолированныйконтакт
*=предохранителии
кабелипитания
Мощность
Предох-
рани-
тели
F1-4(A)
мин.
попе-
речное
Белый Розовый
Синий
Белый Розовый
Синий
Белый Розовый
Синий
Белый Розовый
Синий
Белый Розовый
Синий
Белый Розовый
Синий
Белый Розовый
Синий
Белый Розовый
Синий

Related product manuals