EasyManua.ls Logo

Pahlen MidiHeat EHA - Page 20

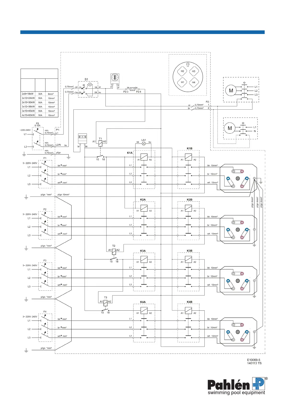
Pahlen MidiHeat EHA
Print Icon
To Next Page IconTo Next Page
To Next Page IconTo Next Page
To Previous Page IconTo Previous Page
To Previous Page IconTo Previous Page
Loading...
20
MidiHeat EHA
MA45-32R
РУССКИЙРУССКИЙ
*=предохранителии
кабелипитания
Мощность
Предох-
рани-
тели
F1-4(A)
мин.
попе-
речное
Примечание: **
Примечание:**
220–240B 3~
Tермостат
Датчик
потока
Сборочныйчертеж
Бак
Внешнеезащитное
релемотора1-фаза
Внешнеезащитное
релемотора3-фазы
Реле
защитыот
перегрева
H1
Нагревательный
элемент
H2
Нагревательный
элемент
H3
Нагревательный
элемент
H4
Нагревательный
элемент
**=Гальваническиизолированныйконтакт
Синий
Розовый
Синий
Белый
Белый
Розовый
Синий
Розовый
Синий
Белый
Белый
Розовый
Синий
Розовый
Синий
Белый
Белый
Розовый
Синий
Розовый
Синий
Белый
Белый
Розовый

Related product manuals