EasyManua.ls Logo

Pahlen MidiHeat EHA - Page 31

Pahlen MidiHeat EHA
Print Icon
To Next Page IconTo Next Page
To Next Page IconTo Next Page
To Previous Page IconTo Previous Page
To Previous Page IconTo Previous Page
Loading...
31
MidiHeat EHA
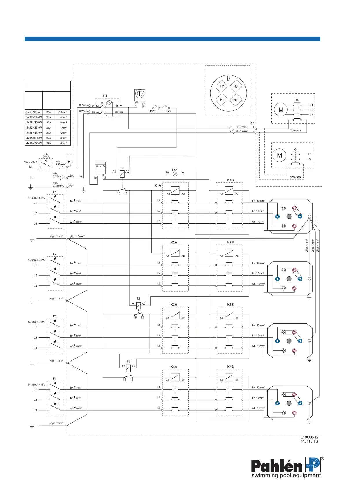
MA45-32T
DEUTSCH
*=säkringaroch
matningskablage
Effekt Fuse
F1-4
(A)
Min.
kabel-
area
Vit Rosa
Blå
Vit Rosa
Blå
Vit Rosa
Blå
Vit Rosa
Blå
Vit Rosa
Blå
Vit Rosa
Blå
Vit Rosa
Blå
Vit Rosa
Blå
380–415V 3N~
Thermostat
Durchuss-
wächter
Übersichtszeichnung
Tank
ExternerMotorschutz
1-phasig
ExternerMotorschutz
3-phasig
Über-
hitzungs-
schutz
H1(Heizelement)
H2(Heizelement)
H3(Heizelement)
H4(Heizelement)
**=PotentialfreierKontakt
*=Sicherungenund
Zuleitung
Leis-
tung
Sicher-
ung
F1-4(A)
Mind.
Kabel-
quer-
schnitt
Weiß Rosa
Blau
Weiß Rosa
Blau
Weiß Rosa
Blau
Weiß Rosa
Blau
Weiß Rosa
Blau
Weiß Rosa
Blau
Weiß Rosa
Blau
Weiß Rosa
Blau

Related product manuals