EasyManua.ls Logo

Pahlen MidiHeat EHA - Page 32

Pahlen MidiHeat EHA
Print Icon
To Previous Page IconTo Previous Page
To Previous Page IconTo Previous Page
Loading...
32
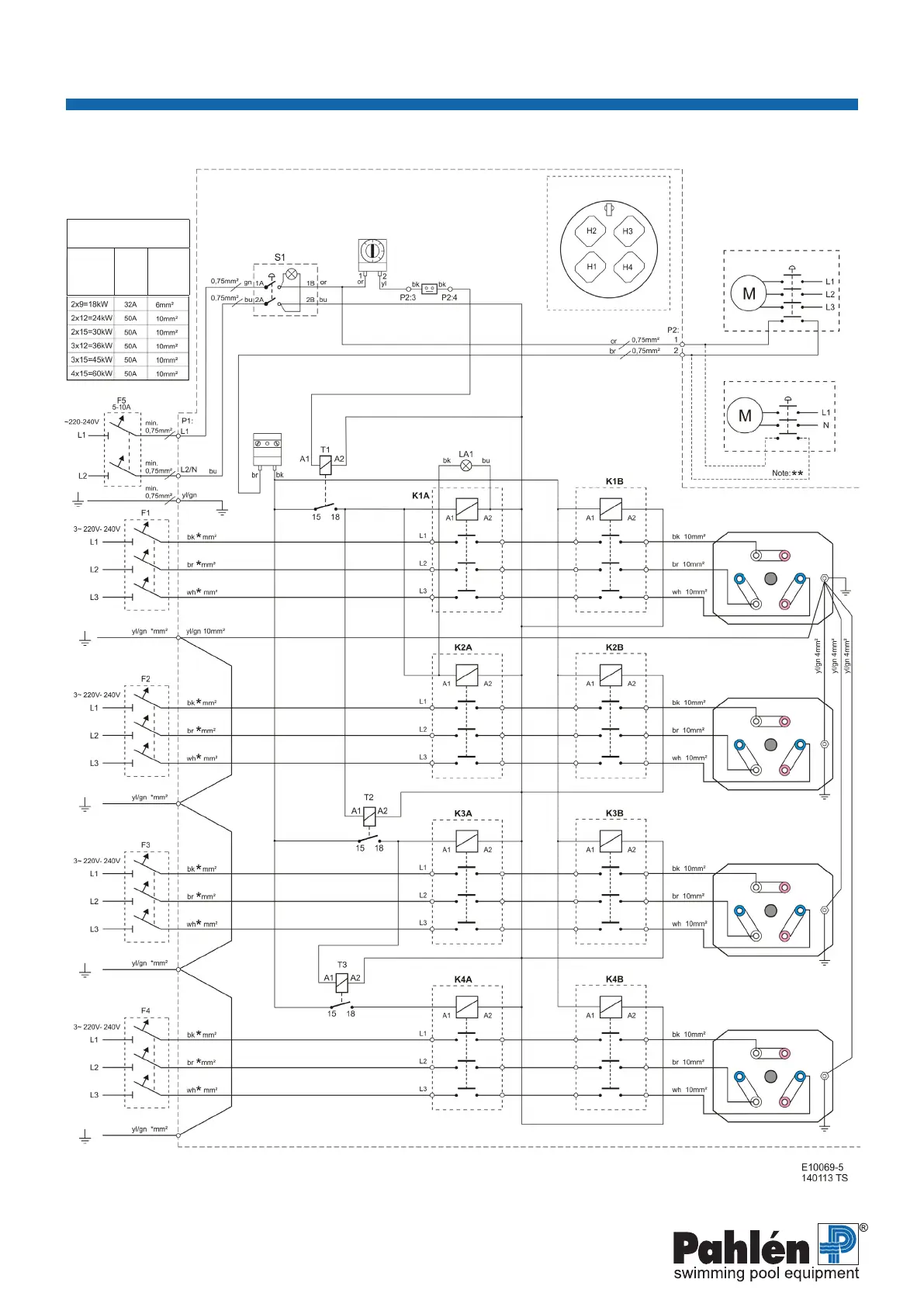
MidiHeat EHA
MA45-32T
DEUTSCH
220-240V 3N~
Thermostat
Durchuss-
wächter
Übersichtszeichnung
Tank
ExternerMotorschutz
1-phasig
ExternerMotorschutz
3-phasig
Über-
hitzungs-
schutz
H1(Heizelement)
H2(Heizelement)
H3(Heizelement)
H4(Heizelement)
**=PotentialfreierKontakt
Blau
Weiß
Blau
Rosa
Rosa
Weiß
Blau
Weiß
Blau
Rosa
Rosa
Weiß
Blau
Weiß
Blau
Rosa
Rosa
Weiß
Blau
Weiß
Blau
Rosa
Rosa
Weiß
*=Sicherungenund
Zuleitungl
Leis-
tung
Sicher-
ung
F1-4(A)
Mind.
Kabel-
quer-
schnitt

Related product manuals