EasyManua.ls Logo

Palfinger ILK 22 - Wiring Diagrams

Palfinger ILK 22
47 pages
Print Icon
To Next Page IconTo Next Page
To Next Page IconTo Next Page
To Previous Page IconTo Previous Page
To Previous Page IconTo Previous Page
Loading...
ILK 22/33/44/55/66 INSTALLATION MANUAL
Revision 1.6 - 40 -
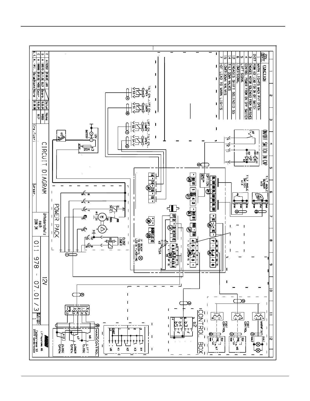
6.6 Wiring Diagrams
150
# 2 BLACK
# 4 BLACK
# 1 BLACK
GREEN / YELLOW
(+)
(-)
ILK 22/33/44/55/66 KPLUS
CIRCUIT BOARD
OPEN
WIRELESS HANDCONTROL
OPTIONAL
Legend
:
gn : green
bl : blue
br : brown
wt : white
ye : yellow
sw / bk : black
gy : green-yellow
LI : Lift Up
LO : Lower Down
OP : Open Gate
CL : Close Gate
* Good voltage is the most important first step
in troubleshooting the litgate.
* Test voltage at the J11connection
between wire 4 and ground (min. 10 V).
* When testing for electricity on the individual
solenoid plug at the cylinder, always test voltage
between the two prongs on the plug itself.(min. 7 V)
* After troubleshooting, carefully close the rubber cap
and secure it with the plastic strap
.
CLOSE
LOWER
LIFT
HACKBARTH
* When testing the voltage on different
locations, always ground on plug J1.
Tilt - Up bypass -- J11 #4 min. 8.5 V
Figure 6.2: Electrical schematics

Related product manuals