EasyManua.ls Logo

Palstar AT2K - AT2 K Schematic; Circuit Diagram

Palstar AT2K
10 pages
Print Icon
To Previous Page IconTo Previous Page
To Previous Page IconTo Previous Page
Loading...
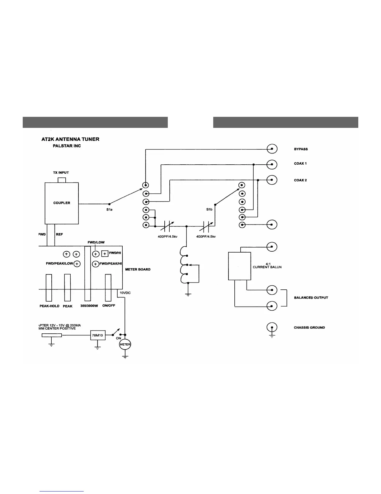
10 AT2K Schematic
1-800-773-7931 WWW.PALSTAR.COM
25uH
AT2K Schematic 11
1-800-773-7931 WWW.PALSTAR.COM
Optional
External

Related product manuals