EasyManua.ls Logo

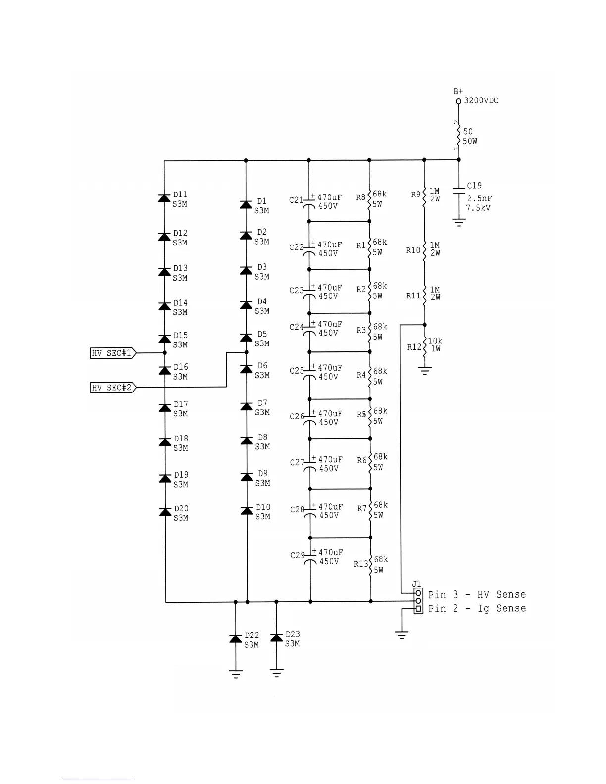
Palstar COMMANDER HF-2500 EXPORT - HV Power Supply Schematic Diagram

Palstar COMMANDER HF-2500 EXPORT
20 pages
Print Icon
To Next Page IconTo Next Page
To Next Page IconTo Next Page
To Previous Page IconTo Previous Page
To Previous Page IconTo Previous Page
Loading...
18
HF-2500 EXPORT HV Power Supply

Related product manuals