EasyManua.ls Logo

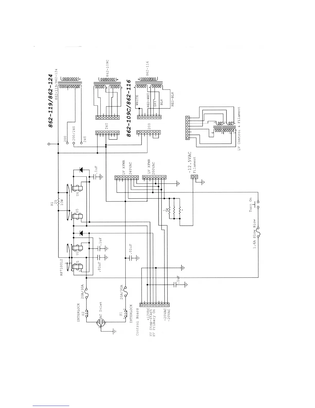
Palstar COMMANDER HF-2500 EXPORT - AC Mains & Step-Start Board Schematic

Palstar COMMANDER HF-2500 EXPORT
20 pages
Print Icon
To Next Page IconTo Next Page
To Next Page IconTo Next Page
To Previous Page IconTo Previous Page
To Previous Page IconTo Previous Page
Loading...
19
AC Mains and Step-Start Board
/862-118

Related product manuals