EasyManua.ls Logo

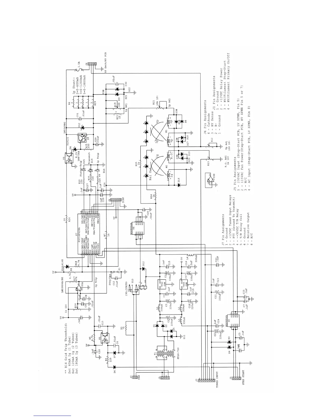
Palstar COMMANDER HF-2500 EXPORT - Control and Metering Board Schematic

Palstar COMMANDER HF-2500 EXPORT
20 pages
Print Icon
To Previous Page IconTo Previous Page
To Previous Page IconTo Previous Page
Loading...
20
Control and Metering Board

Related product manuals