EasyManua.ls Logo

Panasonic AW-PH360N - Page 28

Panasonic AW-PH360N
52 pages
Print Icon
To Next Page IconTo Next Page
To Next Page IconTo Next Page
To Previous Page IconTo Previous Page
To Previous Page IconTo Previous Page
Loading...
- 28 -
Connections
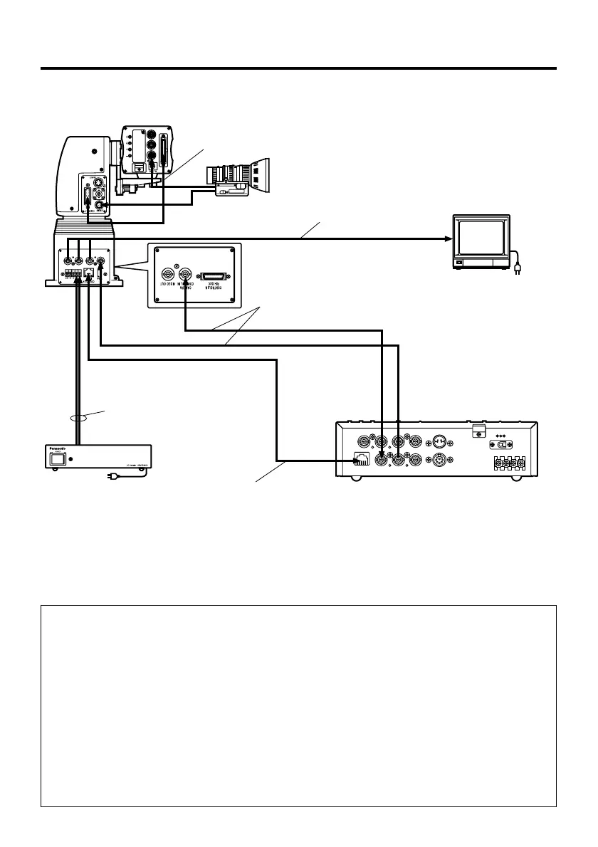
2When the camera and pan/tilt head are to be controlled by the AW-RP501 control panel
for transmitting component signals
• Use the supplied camera cable to connect the unit with the convertible camera.
• Set controller selection switch SW1 to the right side (RP501), and select the
transmission signal selection setting that supports the analog/IEEE1394 card.
• Use a 10BASE-T straight cable (UTP category 5) to connect the unit’s CONTROL IN
IP/RP connector with the controller’s PAN TILT CONTROL OUT connector.
• Use a coaxial cable (BELDEN 8281) to connect the unit’s CAMERA CONTROL IN
connector with the controller’s CAMERA CONTROL OUT connector.
• Use coaxial cables to connect the unit’s Y OUT connector, Pr/SDI OUT connector and
Pb OUT connector with the component input connectors on the color monitor.
• Check that the pan/tilt head and camera can be controlled by the controller.
• Transmitting component signals over a long distance requires a separate cable
compensation unit.
Hybrid control panel:
AW-RP501
AC adapter:
AW-PS300A
Color monitor
Camera cable
(supplied)
Coaxial cable (BELDEN 8281),
max. 1640 ft. (500 m
)
10BASE-T
(equivalent to UTP
category 5) straight
cable, max. 1640 ft.
(500 m
)
Coaxial cable
DC cable
(UL Type SPT-2 2!16 AWG or
UL Type NISPT-2 2!16 AWG,
to be locally purchased)

Related product manuals