EasyManua.ls Logo

Panasonic AW-PH360N - Page 29

Panasonic AW-PH360N
52 pages
Print Icon
To Next Page IconTo Next Page
To Next Page IconTo Next Page
To Previous Page IconTo Previous Page
To Previous Page IconTo Previous Page
Loading...
- 29 -
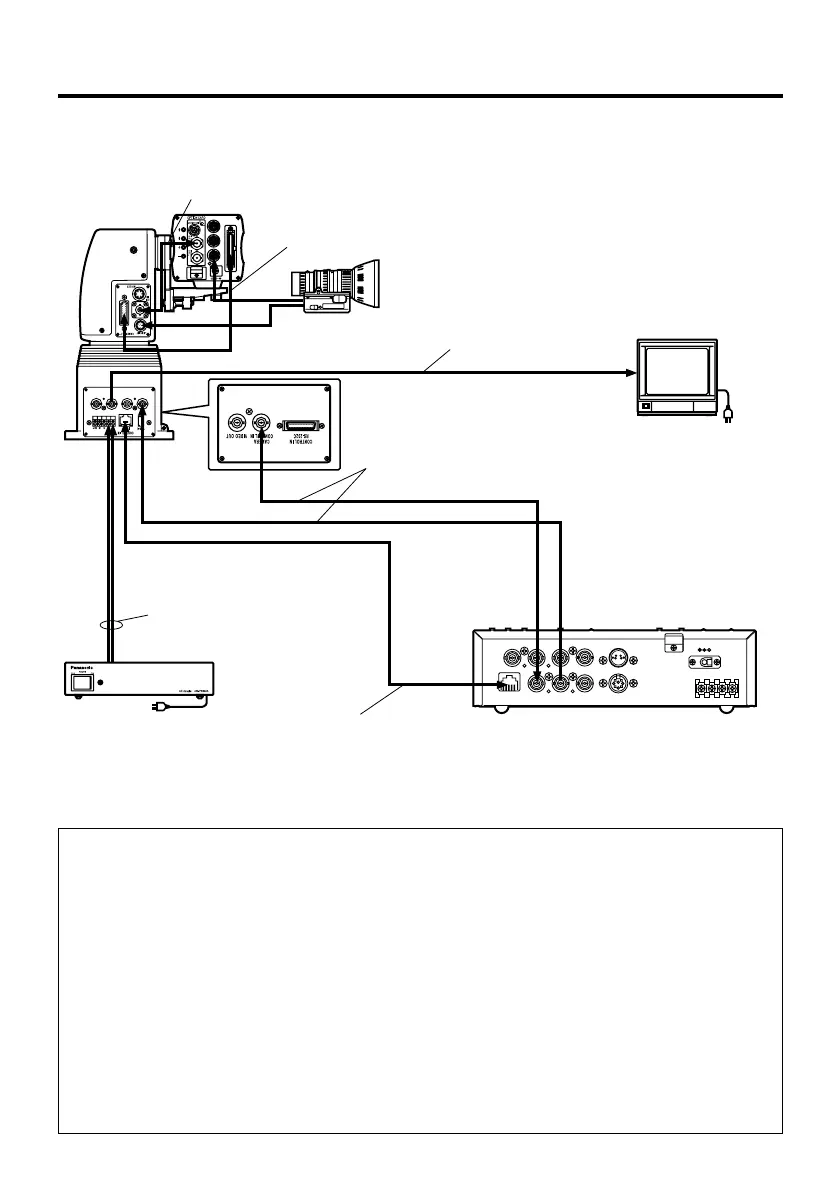
Connections
3When the camera and pan/tilt head are to be controlled by the AW-RP501 control panel
for transmitting SDI signals
• Use the supplied camera cable to connect the unit with the convertible camera
containing the plugged-in SDI card (such as the AW-PB504N).
• Use a coaxial cable to connect the SDI card’s SDI OUT connector with the unit’s SDI IN
connector. Adjust the cable to a length at which the pan/tilt head will move smoothly.
• Set controller selection switch SW1 to the right side (RP501), and select the
transmission signal selection setting that supports the SDI card.
• Use a 10BASE-T straight cable (UTP category 5) to connect the unit’s CONTROL IN
IP/RP connector with the controller’s PAN TILT CONTROL OUT connector.
• Use a coaxial cable (BELDEN 8281) to connect the unit’s CAMERA CONTROL IN
connector with the controller’s CAMERA CONTROL OUT connector.
• Use a coaxial cable to connect the unit’s Pr/SDI OUT connector with the color
monitor’s SDI input connector.
• Check that the pan/tilt head and camera can be controlled by the controller.
Hybrid control panel:
AW-RP501
AC adapter:
AW-PS300A
Color monitor
Camera cable
(supplied)
Coaxial cable
Coaxial cable
(BELDEN 8281),
max. 666 ft. (200 m
)
Coaxial cable (BELDEN 8281),
max. 1640 ft. (500 m
)
10BASE-T (equivalent to
UTP category 5) straight
cable, max. 1640 ft. (500 m)
DC cable
(UL Type SPT-2 2!16 AWG or
UL Type NISPT-2 2!16 AWG,
to be locally purchased)

Related product manuals