EasyManua.ls Logo

Panasonic AW-PH360N - Page 36

Panasonic AW-PH360N
52 pages
Print Icon
To Next Page IconTo Next Page
To Next Page IconTo Next Page
To Previous Page IconTo Previous Page
To Previous Page IconTo Previous Page
Loading...
- 36 -
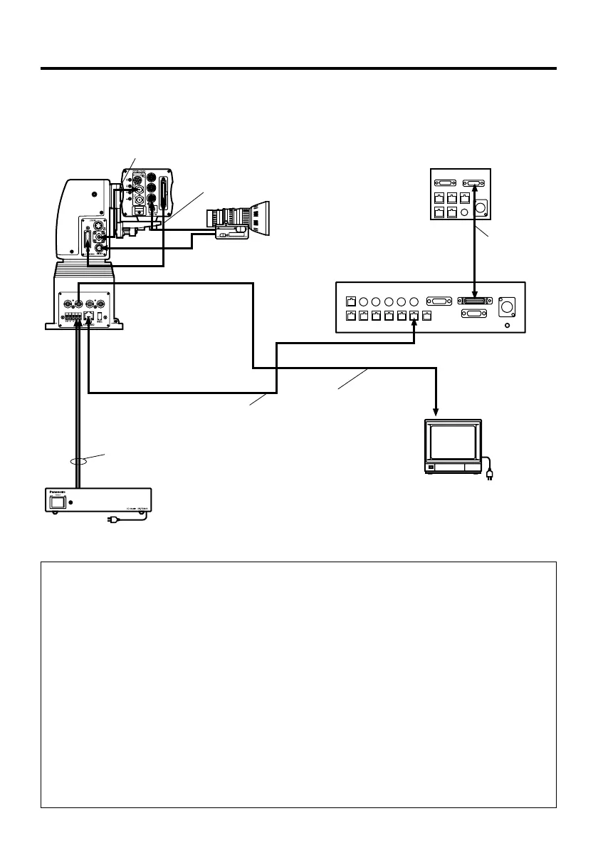
Connections
:When the pan/tilt head is to be controlled by the AW-RP400 pan/tilt head control panel
for transmitting SDI signals (and the AW-CB400 remote operation panel is used to
control the camera)
• Use the supplied camera cable to connect the unit with the convertible camera
containing the plugged-in SDI card (such as the AW-PB504N).
• Use a coaxial cable to connect the SDI card’s SDI OUT connector with the unit’s SDI
IN connector. Adjust the cable to a length at which the pan/tilt head will move
smoothly.
• Set controller selection switch SW1 to the right side (RP501), and select the
transmission signal selection setting that supports the SDI card.
• Use a 10BASE-T straight cable (UTP category 5) to connect the unit’s CONTROL IN
IP/RP connector with the controller’s CONTROL OUT TO PAN/TILT HEAD connector.
• Use a coaxial cable to connect the unit’s Pr/SDI OUT connector with the color
monitor’s SDI input connector.
• Use the cable supplied with the remote operation panel to connect the controller’s
CAMERA CONTROL IN FROM ROP connector with the remote operation panel’s
CONTROL OUT TO CONTROL PANEL connector.
• Check that the pan/tilt head and camera can be controlled by the controller.
AC adapter:
AW-PS300A
Color monitor
Coaxial cable
(BELDEN 8281), max.
666 ft. (200 m
)
10BASE-T (equivalent to UTP
category 5) straight cable,
max. 1640 ft. (500 m)
Camera cable
(supplied)
Coaxial cable
Pan/tilt control panel:
AW-RP400
Remote operation
panel:
AW-CB400
Cable supplied
with AW-CB400
DC cable
(UL Type SPT-2 2!16 AWG or
UL Type NISPT-2 2!16 AWG,
to be locally purchased)

Related product manuals