EasyManua.ls Logo

Panasonic CQ-C1305U

Panasonic CQ-C1305U
42 pages
To Next Page IconTo Next Page
To Next Page IconTo Next Page
To Previous Page IconTo Previous Page
To Previous Page IconTo Previous Page
Loading...
8
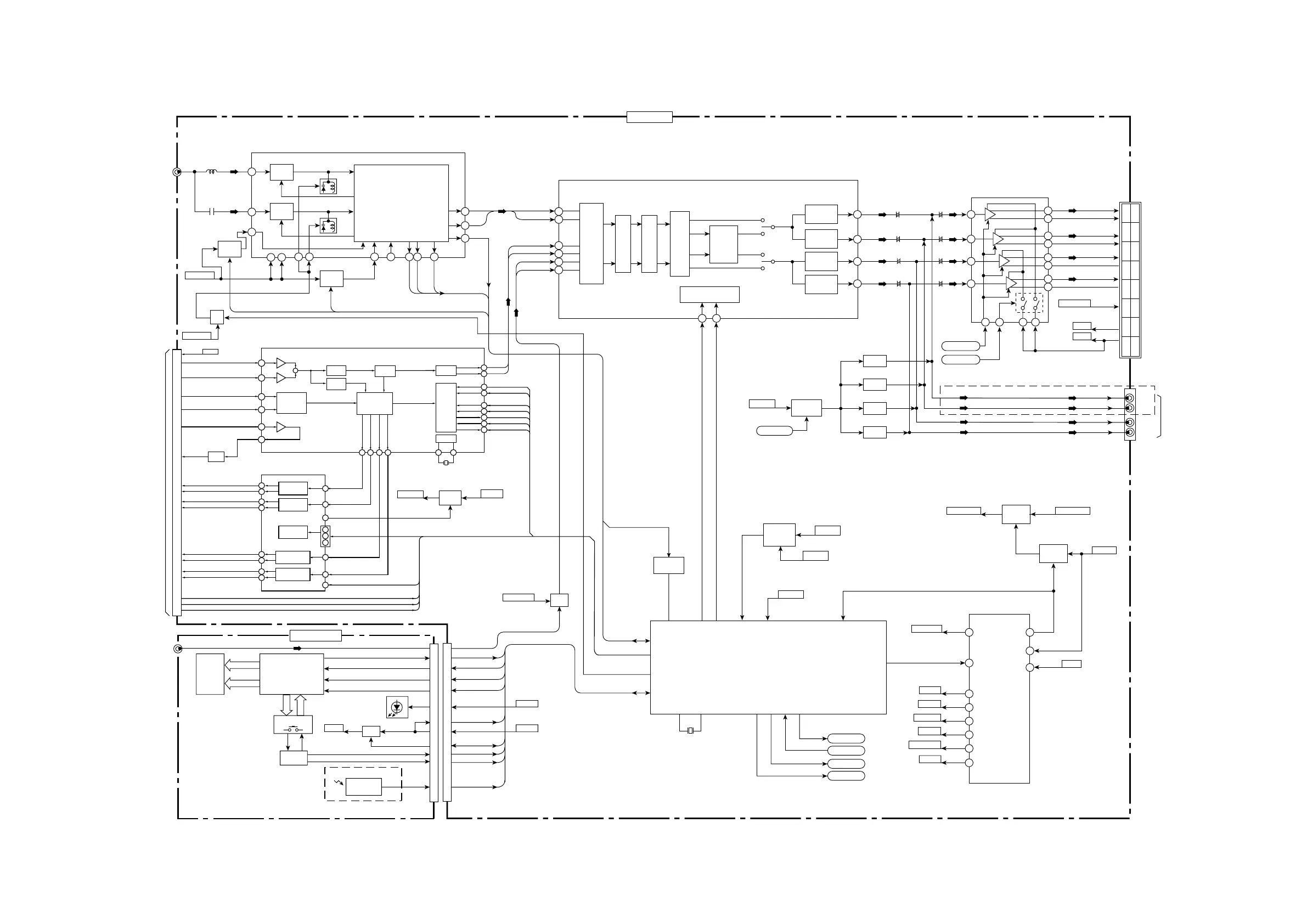
5 Block Diagram
5.1. Main / Display Block
1
2
3
4
5
6
7
8
16
15
14
13
12
11
10
9
F-
F+
T-
T+
SL-
SL+
SP-
SP+
FOCUS
COIL DRIVE
TRACKING
COIL DRIVE
SLED
MOTOR DRIVE
SPINDLE
MOTOR DRIVE
VA
VA
VCC
CN801
5
7
VBVB
FE
FE
13
14
VEVE
LPD
LPD
LD
19
18
LD
CD CE
CD MUTE
CD RST
CH L
CH R
CD DO
CD DI
CD CL
SUB READY
+
D/A
CONV
I/F
OSC
XL801
SERVO
CTL
EFM
DEMOD
RF
EQ
RF AMP, CD DSP, CD SERVO
IC801
COIL / MOTOR DRIVE
IC802
FOCUS
ERROR
LD
DRIVE
TRACKING
ERROR
3.3V
9
8
11
10
5
4
7
6
18
1
14
16
23
MUTE CD MUTE
SPDO
SLDO
TOD
REG IN
CD LM, CD SL
FDO
75
78
50
47
43
44
46
45
49
24 25
22
7372
23
Q871
FOCUS COIL-
FOCUS COIL+
TRACKING COIL-
TRACKING COIL+
SLED MOTOR-
SLED MOTOR+
SPINDLE MOTOR-
SPINDLE MOTOR+
SW1
SW2
CD LIMIT SW
To CD INTERFACE BLOCK
19
26
27
24
CONTROL
24
REG
CD8VCD3.3V
F.Lch
F.Rch
FL
FR
FL
FR
IC501
Q066
RDS DATA
RDS CLOCK
FM DET OUT
RDS
DECODE
IC601
CPU
98
60 59
58 55 52 56
50
53 87 49
Q052
Q055
RF AGC
IFC
AM
MODE
ST
SD
FM IN
RF AGC
Lch Out
Rch Out
AM IN
AF MUTE
STBY
ACC
AMP CNT
BATT
5
3
1215
13
14
12
2120
5
IC201
AUDIO SELECT / TONE CONTROL
3
7
6
11
1016
Rch
Lch
RADIO
RADIO L
RADIO R
CD.L
CD.R
AUX.L
AUX.R
17
212220
23
9614
2513
2
12
1
11
14
15
22 4 20 6
9
7
21
23
17
19
AMP MUTE
Q362
STBY
TEL_MUTE
AMP MUTE
AF MUTE
BATT
FM
RF AMP
MODE
SW
AM
RF AMP
PA051 FM/AM TUNER PACK
AT051
ANT
AM ANT
FM ANT
MODE
SW
LPF
Q401
TUNER8V
PRE
OUT
BASS
MIDDLE
TREBLE
AMP CNT
I2C BUS LOGIC
SW
+8V
REG
BATT DET.
TUNER +8
Q770,D770
VDD5V
VDD5V
ACC
SCL
SDA
BATT
Q701, Q702
D702
AUDIO9V
R.Lch
R.Rch
CQ-C1335U/C1335L, CQ-C1305U/C1305L MAIN / DISPLAY BLOCK
CN601
LCD DO
XL601
100 1
LCD CE
LCD CLK
LCD DI
RM DATA
PANEL
ILL9V
MODE A
MODE B
POWER LED
RL
RL
FL
IC271
POWER AMP
CN701
FL(+)
FL(-)
FR(+)
FR(-)
RL(+)
RL(-)
RR(+)
RR(-)
FR
RR
RL
FL
FR
RR
RR
RL
RR
VDD5V
ILL9V
7227-02-11
Q704,752
AUDIO9V
SW
BATT
PWR
CNT
ACC
CTRL
AMP
CNT
OUT
VCC
ACC
112
AMP
CNT
IN
7
COMP
AMP CNT
6
SW5V
5
VDD5V
4
ILM
AUDIO 9V
14
10
8
3
ACC
5V
SW5V
VDD5V
ILL9V
AUDIO9V
CD 8V
12
CD8V
IC751
POWER SUPPLY
FM MODE
E01
SW
Q265
Q365
AUDIO9V
FM
ST/MONO
FM
DET OUT
Q262
CN250
Q261
MUTE
MUTE
MUTE
MUTE
Q361
MUTE
CONTROL
Q660,661
BATT
MONO
FADER
MONO
FADER
MONO
FADER
MONO
FADER
AUX
IN
LD901
7227-05-11
LCD DRIVE
KI1-5
KS2-6
SEG1-33
COM1-4
61
62
63
64
DO
CE
CLK
DI
IC901
SW902-917
IC902
REMOCON
RECEIVER
SW901
KEY MATRIX
CN901
SW
Q901
CN902
AUX L,R
D921, 922
D924 - 936
D943
AUX L, R
PWR CNT
Q851
INPUT GAIN
VOLUME
MUTE
INPUT SELECTOR
PASS
TONE
PASS
TONE
CQ-C1335U / CQ-C1335L
CQ-C1335U / CQ-C1335L

Other manuals for Panasonic CQ-C1305U

Related product manuals