EasyManua.ls Logo

Panasonic CQ-C1335L

Panasonic CQ-C1335L
42 pages
To Next Page IconTo Next Page
To Next Page IconTo Next Page
To Previous Page IconTo Previous Page
To Previous Page IconTo Previous Page
Loading...
12
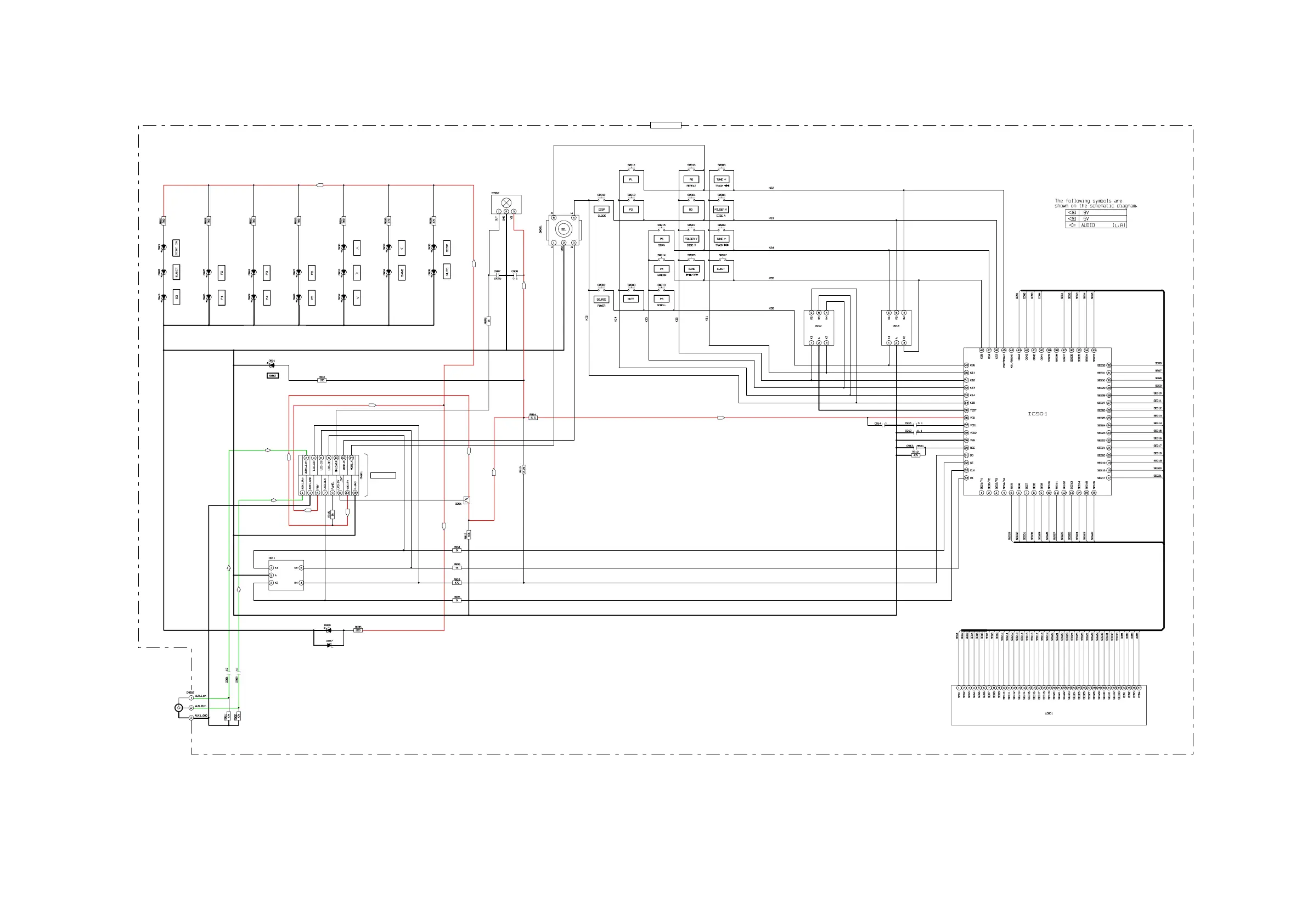
7.3. Display Block[CQ-C1335U/C1335L]
0.4
5.0
4.8
L
R
L
R
5V
5V
5V
9V
5V
5V
9V
9V
9V
9V
YESAD165
YESAD165
YESAD166
YESAD166
YESAD166
YESAD166
YESAD166
YESAD166
YESAD165YESAD165
YESAD165
YESAD165YESAD165
YESAD165YESAD165
C0HBA0000195
YESAD173
YESAD145
YESAD150
YESAD166
YESAN118
YESAS123
K0H1BA000445
K0H1BA000445
K0H1BA000445
K0H1BA000445
K0H1BA000445
K0H1BA000445
K0H1BA000445
K0H1BA000445 K0H1BA000445
K0H1BA000445
K0H1BA000445
K0H1BA000445
K0H1BA000445
K0H1BA000445
K0H1BA000445
K0H1BA000445
YESXDCM039
YESAD165
YESAD147
YESAD147
1/4W
7227-05-11
CQ-C1335U/CQ-C1335L DISPLAY
TO
7227-02-11
CN601
0
4.8
4.8
5V
YESAM264

Other manuals for Panasonic CQ-C1335L

Related product manuals