EasyManua.ls Logo

Panasonic CQ-C1335L - Page 40

Panasonic CQ-C1335L
42 pages
To Next Page IconTo Next Page
To Next Page IconTo Next Page
To Previous Page IconTo Previous Page
To Previous Page IconTo Previous Page
Loading...
40
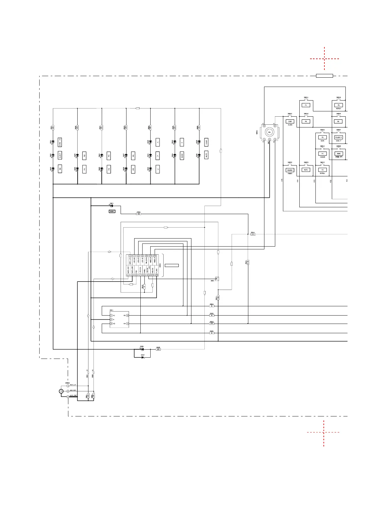
1.7. Display Block[CQ-C1305U/C1305L] (Left Side)
0.4
5.0
4.8
L
R
L
R
5V
5V
9V
5V
5V
9V
9V
9V
9V
YESAD165
YESAD165
YESAD165
YESAD165
YESAD165
YESAD165
YESAD165
YESAD165
YESAD165YESAD165
YESAD165
YESAD165YESAD165
YESAD165YESAD165
YESAD173
YESAD145
YESAD150
YESAD166
YESAN118
YESAS123
K0H1BA000445
K0H1BA000445
K0H1BA000445
K0H1BA000445
K0H1BA000445
K0H1BA000445
K0H1BA000445
K0H1BA000445
K0H1BA000445
K0H1BA000445
K0H1BA000445
K0H1BA000445
YESAD165
1/4W
7227-05-11
TO
7227-02-11
CN601

Other manuals for Panasonic CQ-C1335L

Related product manuals