EasyManua.ls Logo

Panasonic CQ-C1335L

Panasonic CQ-C1335L
42 pages
To Next Page IconTo Next Page
To Next Page IconTo Next Page
To Previous Page IconTo Previous Page
To Previous Page IconTo Previous Page
Loading...
7
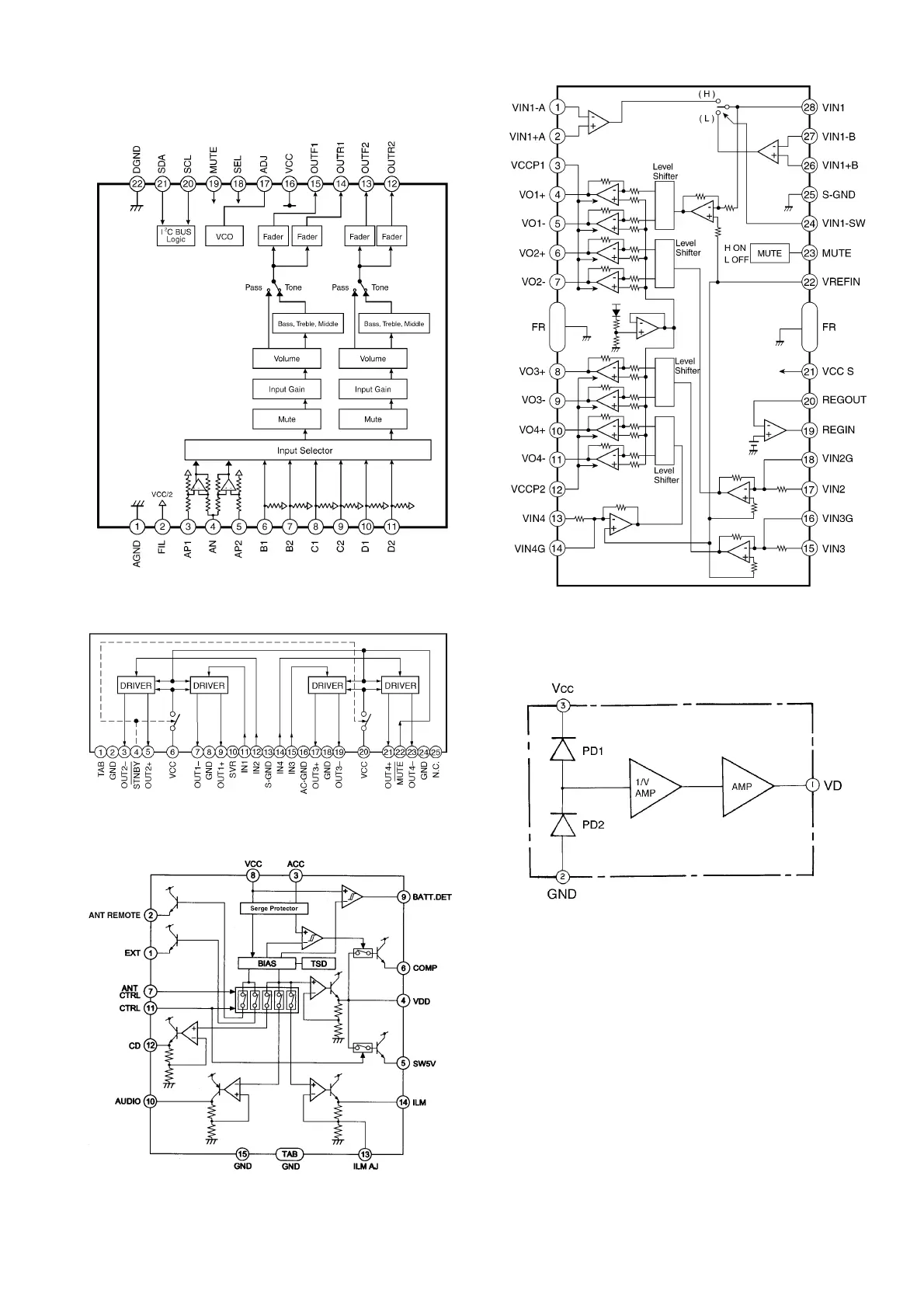
4.2. IC Block Diagram
4.2.1. Main Block
IC201 : YESAM385
IC271 : C1EA00000041
IC751 : YESAM349
IC802 : YESAM352
4.2.2. Display Block
IC902 : YESAM264

Other manuals for Panasonic CQ-C1335L

Related product manuals