EasyManua.ls Logo

Panasonic CQ-C3405U

Panasonic CQ-C3405U
43 pages
To Next Page IconTo Next Page
To Next Page IconTo Next Page
To Previous Page IconTo Previous Page
To Previous Page IconTo Previous Page
Loading...
10
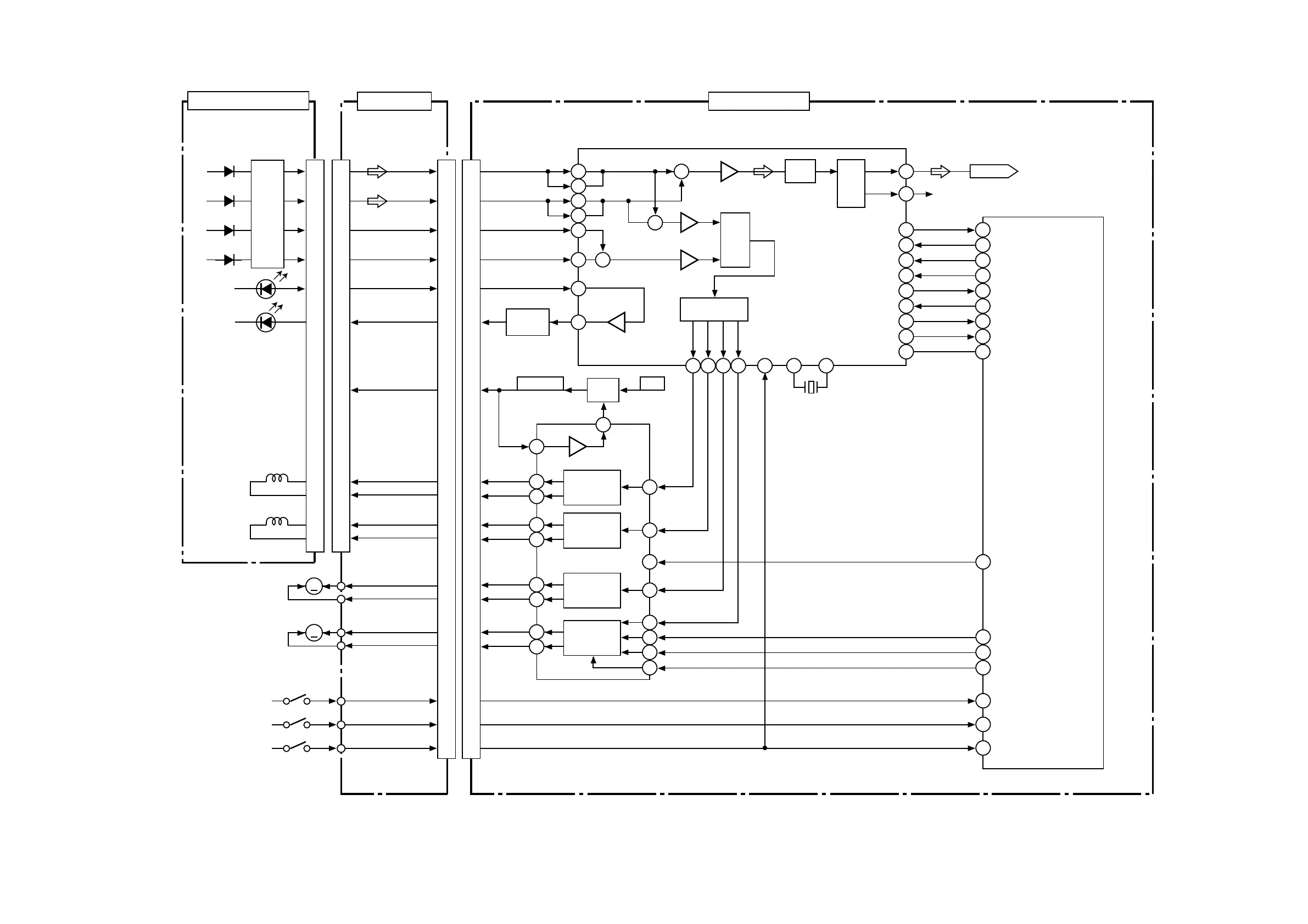
5.3. Main-3/CD Interface Block
M
M
+
-
-
A
B
E
F
A
B
E
F
LPD
LD3.3V
F+
F-
T+
T-
SP+
SP-
SL+
SL-
CD SW1
CD SW2
CD LIMIT SW
PD
LD
I-V
AMP
FOCUS
COIL
TRACKING
COIL
CD L
27 CD DO
26
76
78
CD DI
28 CD CLK
29 CD CE
30 CD MUTE
37 CD DMUTE
43 CD EM
44 CD LM
38 CD S/L
35 CD SW1
36 CD SW2
42 CD LIMIT SW
31 CD RESET
41 CD ERROR
33 SUB READY
34
46
45
44
43
50
47
51
49
48
72
24
27
26
1
18
23
14
16
19
18
19
13
14
8
7
6
5
5
13
21
22
14
16
18
20
8
10
4
6
19
17
15
3
7
9
5
4
7
6
11
10
8
9
20
733224252322
REG READY
DO
DI
CL
CE
CD MUTE
RESB
CD ERROR
SUB READY
REG READY
R-CH
R-CH
L-CH
DAC
IC601(3/3)
SYSTEM CONTROL
XL801
16.93MHz
CQ-C3405U/C3305U MAIN(3/3)
MUTE
TRACKING
COIL
DRIVE
FOCUS
COIL
DRIVE
SPINDLE
MOTOR
DRIVE
SLED
MOTOR
DRIVE
IC802
PICK-UP DRIVE
CD3.3V
Q851
Q871
REG
9V
FDO
PU IN
X IN
X OUT
TDO
SPDO
SLDO
SERVO
CTL
LD
DRIVE
EFM
DEM
ADC
FE
TE
IC801
RF AMP,SERVO,DSP
7228-02-11(3/3)
CN801
SPINDLE
MOTOR
SLED
MOTOR
3032-14-50
CN2CN2 CN1
Optical Pic-Up Ass'y

Related product manuals