EasyManua.ls Logo

Panasonic CQ-DT6930ZE

Panasonic CQ-DT6930ZE
23 pages
To Next Page IconTo Next Page
To Next Page IconTo Next Page
To Previous Page IconTo Previous Page
To Previous Page IconTo Previous Page
Loading...
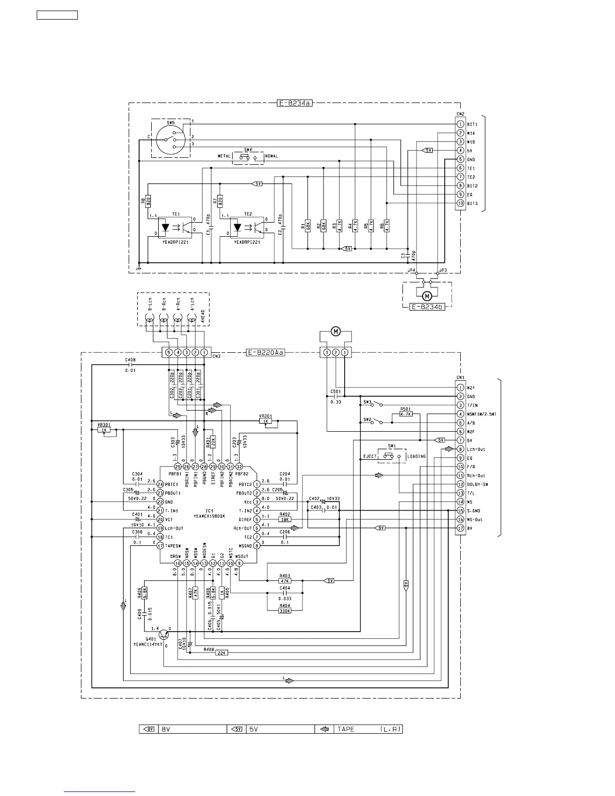
15 SCHEMATIC DIAGRAM (1)
15.1. Tape Block
To Main P.C.B.
E-6709 CN632
To Main P.C.B.
E-6709 CN631
[Symbol Table]
22
CQ-DT6930ZE

Related product manuals