EasyManua.ls Logo

Panasonic CQ-DT6930ZE

Panasonic CQ-DT6930ZE
23 pages
To Next Page IconTo Next Page
To Next Page IconTo Next Page
To Previous Page IconTo Previous Page
To Previous Page IconTo Previous Page
Loading...
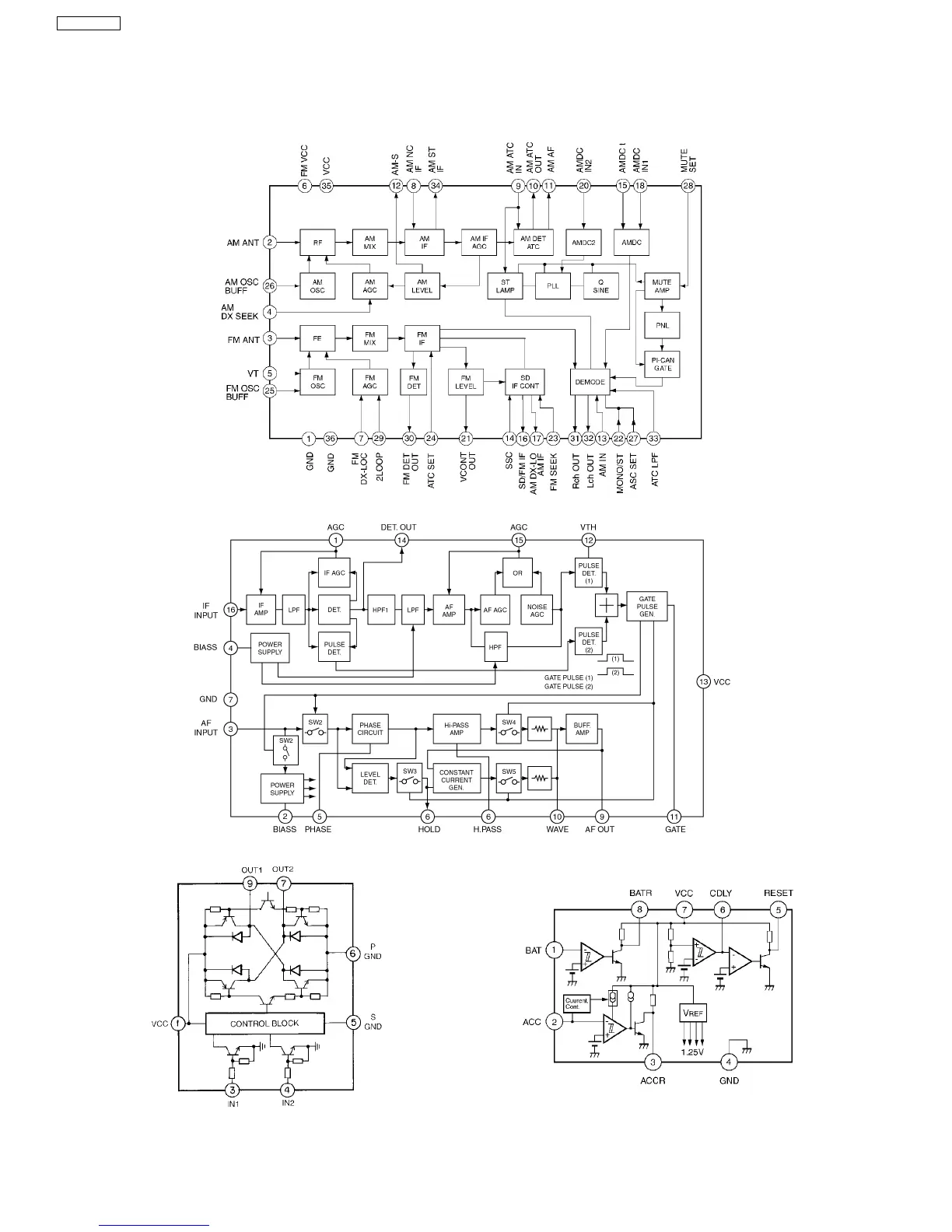
7.1. Main Block
IC631 : YEAMLB1930MT IC751 : AN8065SE1
7 PACKAGE AND IC BLOCK DIAGRAM
PA101 : YEP0PTA512B0
IC101 : YEAMHA12181F
6
CQ-DT6930ZE

Related product manuals