EasyManua.ls Logo

Panasonic CQ-VD5005L - Page 9

Panasonic CQ-VD5005L
54 pages
To Next Page IconTo Next Page
To Next Page IconTo Next Page
To Previous Page IconTo Previous Page
To Previous Page IconTo Previous Page
Loading...
9
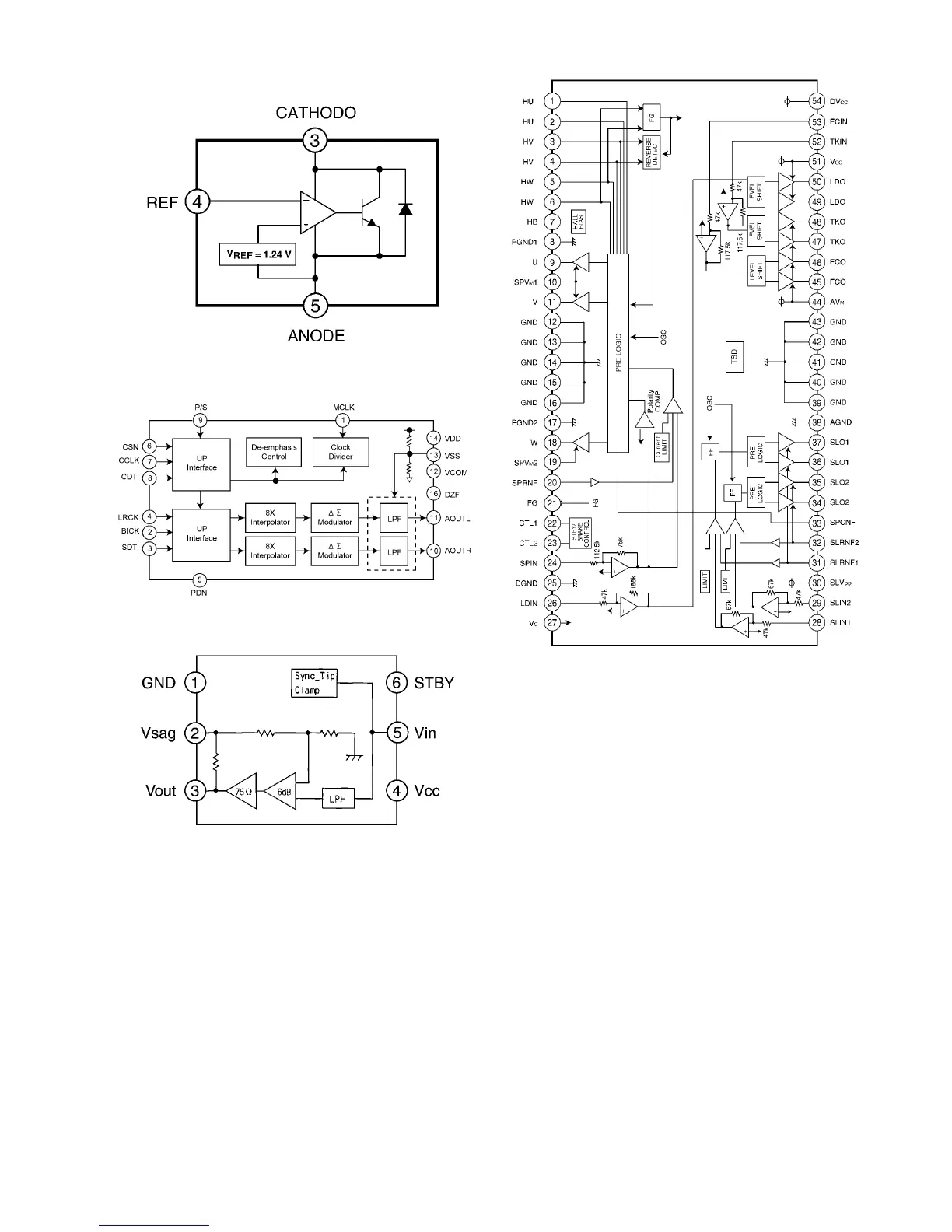
4.2.3. DVD Servo Block
IC104 : YESAM370
IC105 : YESAM294
IC107 : YESAM364
IC301 : YESAM405

Other manuals for Panasonic CQ-VD5005L

Related product manuals