EasyManua.ls Logo

Panasonic CS-A18BTP

Panasonic CS-A18BTP
111 pages
To Next Page IconTo Next Page
To Next Page IconTo Next Page
To Previous Page IconTo Previous Page
To Previous Page IconTo Previous Page
Loading...
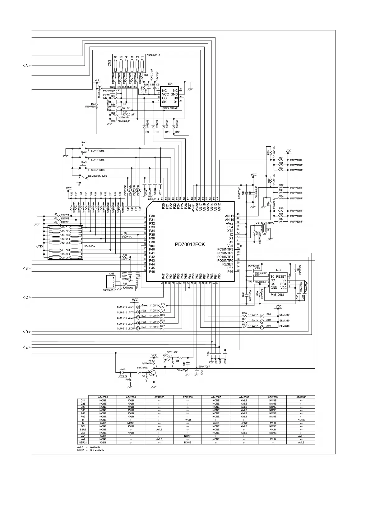
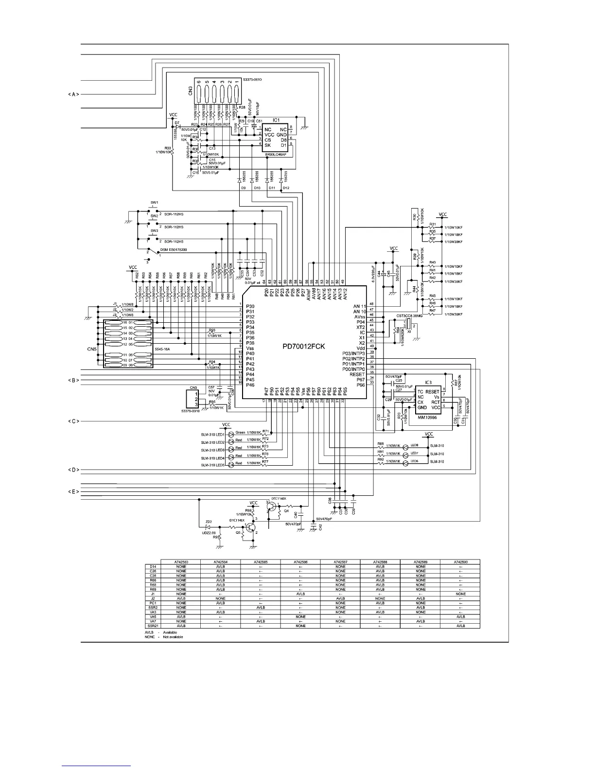
20

Related product manuals