EasyManua.ls Logo

Panasonic CS-A9DKD - Page 82

Panasonic CS-A9DKD
88 pages
Print Icon
To Next Page IconTo Next Page
To Next Page IconTo Next Page
To Previous Page IconTo Previous Page
To Previous Page IconTo Previous Page
Loading...
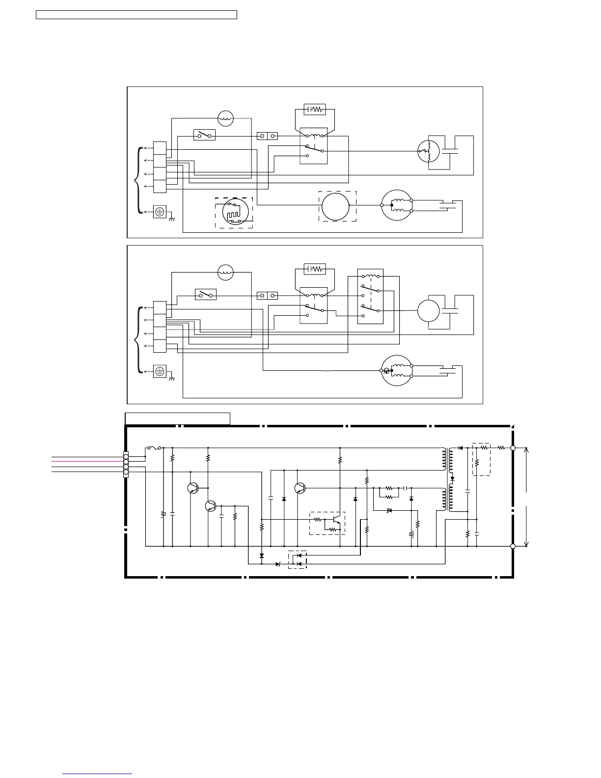
SCHEMATIC DIAGRAM 4/4
EH-4P
4
3
2
1
F1
CH1
VIN
GND
ERR
C2 C1
Q1
Q2
Q4
Q5
R2
c
e
b
4.7k
10k
e
b
c
C3 R4
R3
R5
D2
Z01
D4
c
e
b
C8
D1
D3
R14
R13
R9
R15
R10
R102
-4.2k
V
R101
HV
CN2
R12
C5
D5
C6
Z02
c
e
b
R6
T1
D101
D102
C101
C7
GN
D
CN3
HIGH VOLTAGE IONIZER
CU-A12DKD
CU-A7DKD / CU-A9DKD
TO INDOOR
3
4
1
2
COIL REVERSING
VALVE
ELECTROLYTIC
CAPACITOR
BL/B
BL
BL
FAN
MOTOR
CAPACITOR
CAPACITOR
COMPRESSOR
TRS
BL
BL
3
3
1
4
2
8
2
8
6
7
5
6
7
BL/B
MAGNETIC RELAY
BL
GR
GR
GR
B
B
B
R
R
O
Y
B
BB
R
B
BR
MAGNETIC RELAY
TO INDOOR
3
4
1
2
COIL REVERSING
VALVE
ELECTROLYTIC
CAPACITOR
BL/B
BL
BL
FAN
MOTOR
CAPACITOR
CAPACITOR
OVER LOAD
PROTECTOR
COMPRESSOR
TRS
BL
BL
3
2
8
6
7
BL/B
MAGNETIC RELAY
BL
GR
GR Y
Y
B
B
B
R
R
BB
R
BR
FM
1
A9DK
1
A7DK
4
82
CS-A7DKD CU-A7DKD / CS-A9DKD CU-A9DKD / CS-A12DKD CU-A12DKD /

Table of Contents

Related product manuals