EasyManua.ls Logo

Panasonic CS-C18DKV - Page 15

Panasonic CS-C18DKV
70 pages
Print Icon
To Next Page IconTo Next Page
To Next Page IconTo Next Page
To Previous Page IconTo Previous Page
To Previous Page IconTo Previous Page
Loading...
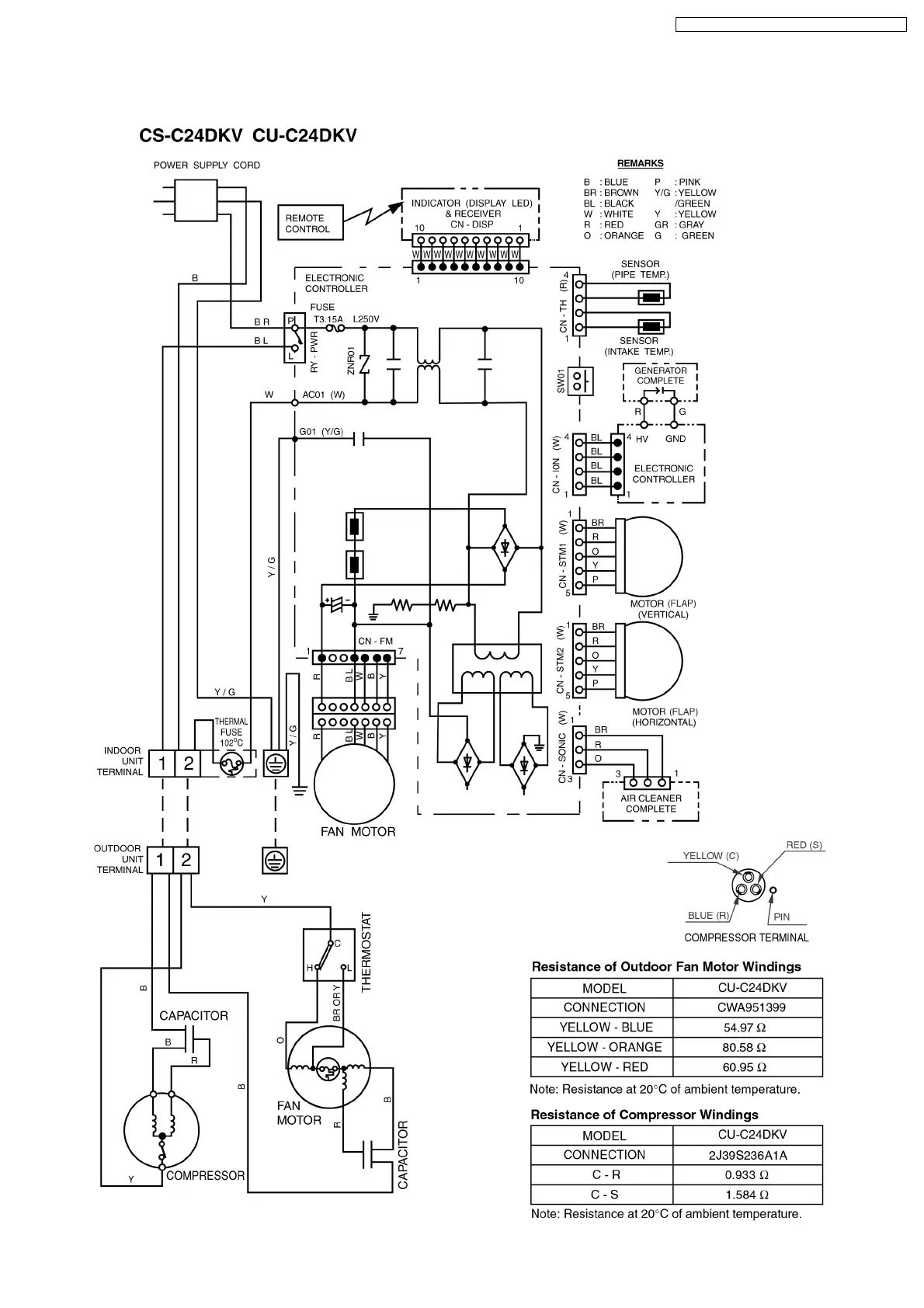
CS-C18DKV CU-C18DKV / CS-C24DKV CU-C24DKV
15

Table of Contents

Related product manuals