EasyManua.ls Logo

Panasonic CS-C18DKV - 7 Wiring Diagram

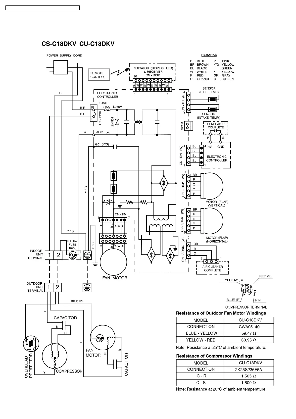
Panasonic CS-C18DKV
70 pages
Print Icon
To Next Page IconTo Next Page
To Next Page IconTo Next Page
To Previous Page IconTo Previous Page
To Previous Page IconTo Previous Page
Loading...
7 Wiring Diagram
CS-C18DKV CU-C18DKV / CS-C24DKV CU-C24DKV
14

Table of Contents

Related product manuals