EasyManua.ls Logo

Panasonic CS-C18HKD - 8 Wiring Connection Diagram; Cs-C18 Hkd Cu-C18 Hkd

Panasonic CS-C18HKD
62 pages
Print Icon
To Next Page IconTo Next Page
To Next Page IconTo Next Page
To Previous Page IconTo Previous Page
To Previous Page IconTo Previous Page
Loading...
14
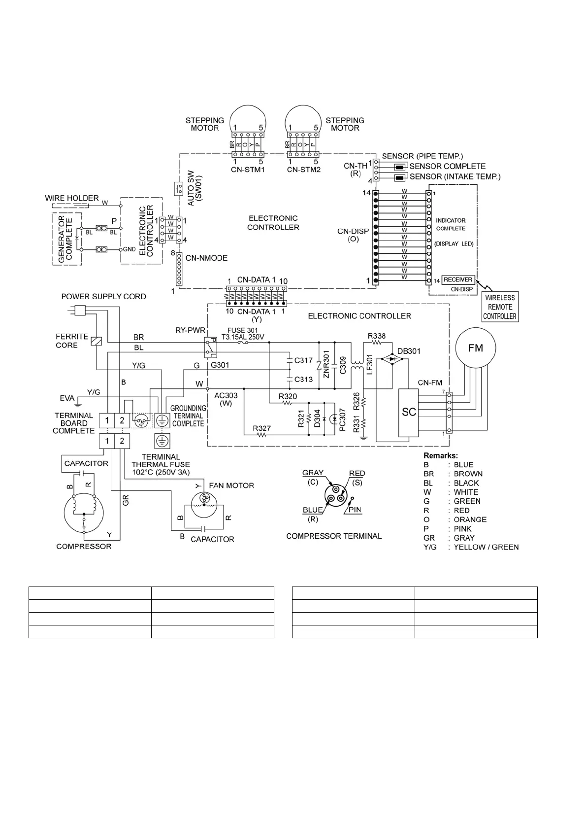
8 Wiring Connection Diagram
8.1. CS-C18HKD CU-C18HKD
Resistance of Outdoor Fan Motor Windings
Note: Resistance at 20qC of ambient temperature.
Resistance of Compressor Windings
Note: Resistance at 20qC of ambient temperature.
MODEL CU-C18HKD
CONNECTION CWA951116J
BLUE-RED 230 :
YELLOW-RED 255 :
MODEL CU-C18HKD
CONNECTION 2KS314D5FA04
C - R 1.633 :
C - S 3.67 :

Table of Contents